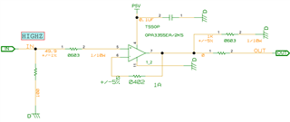
We used a material from your company on our test card, MPN: OPA3355EA/2K5.
After the measurement, it was found that the signal was abnormal and could not operate normally, such as noise interference.
Do you have any suggestions?
Thanks.


This thread has been locked.
If you have a related question, please click the "Ask a related question" button in the top right corner. The newly created question will be automatically linked to this question.
We used a material from your company on our test card, MPN: OPA3355EA/2K5.
After the measurement, it was found that the signal was abnormal and could not operate normally, such as noise interference.
Do you have any suggestions?
Thanks.


Hi Chen,
some crosstalk from the enable input to the output is normal. For decreasing the output glitch decrease the load resistance to the allowed minimum. Also, your enable signal is not clean but shows ringing. This can also worsen the output glitch. Some low pass filtering of enable signal could help. Not too much, only to make the edge a bit less steep.
Kai
Hello Chen,
Would you be able to share the connections to the enable pins? Board layout too if you can share that as well.
Thank you,
Sima
Hello Chen,
I would first try shortening this cable and any other connections to the board as much as possible, and update us if there was any improvement in noise.
Thanks,
Sima