Part Number: INA333
Hello experts,
Do you have leak current value at REF pin(5pin)?
If you have data, could you tell me min/max/typical value?
Thanks and best regards,
Ryo Akashi
This thread has been locked.
If you have a related question, please click the "Ask a related question" button in the top right corner. The newly created question will be automatically linked to this question.
Part Number: INA333
Hello experts,
Do you have leak current value at REF pin(5pin)?
If you have data, could you tell me min/max/typical value?
Thanks and best regards,
Ryo Akashi
Hi Ryo,
through the REF pin mainly signal current is flowing. How much depends on your circuit:

Kai
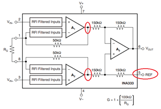
Hi Ryo,
As Kai pointed out, the Vref's current (source or sink) depends on the input voltage, circuit gains, supply voltage and output voltage of the internal instrumentation amplifier, see the diagram below. I think that a simulation per a given circuit may have provide you with the answer in min/max/typical values. It depends on your circuit as Kai is suggesting.

If you have additional questions, please let us know.
Best,
Raymond