Hi,
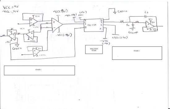
I'm working with an ISO124 device. The ISO is used for sensing a dc-link voltage (up to 600V) in a 5kW photovoltaic inverter. The schematic is as follows:
The ISO apprears to work fine, but when the IGBTs of the converter switches, then fails. In the next figure we can see the input voltage (TP63 - pink) of the ISO124 and its output (TP65 - green) when it fails. The fail is located every time at the beginning of a switching event.

I have revised the isolated power voltage (pink and blue), and it appears to be ok. See next figure:

I have changed the ISO for another new one, and it works fine for one day. Now it fails, as in the captures show below.
Thanks for the help.
