Other Parts Discussed in Thread: JFE2140
Tool/software:
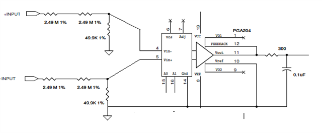
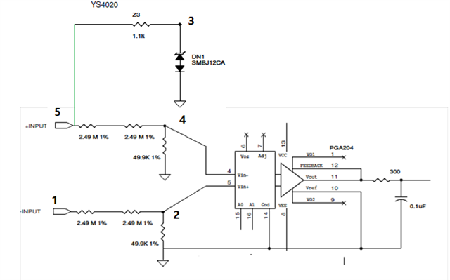
We use PGA 204 in the front end of our data loggers
If we connect signal to its inputs directly, the linearity is perfect
We would like to use it to measure very high voltage, so we added a voltage divider (5M to 50K) to its inputs (see image below for reference), since the input impedance of PGA204 is in the order of 10 G Ohm, it should work
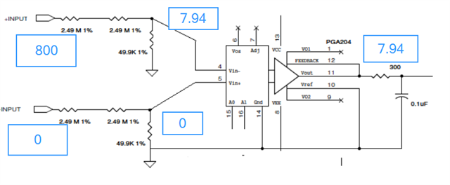
We use digital calibration on two end points (0V and 800V based on Fluke calibrator)
For our first batch of about 1000 circuits, it was good
For the second batch, when we exam the mid points, it show linearity problem, with perfect matching on the two end points, 0 and 800
| Fluke Output | Equivalent Reading from PGA 204 | Error |
| 800 | 800.2 | 0.2 |
| 700 | 699 | -1 |
| 600 | 598.1 | -1.9 |
| 500 | 497.3 | -2.7 |
| 400 | 397.3 | -2.7 |
| 300 | 297.3 | -2.7 |
| 200 | 197.6 | -2.4 |
| 100 | 98.6 | -1.4 |
| 0 | 0 | 0 |
What can be the problem? Thanks for any insight!


























