This thread has been locked.

If you have a related question, please click the "Ask a related question" button in the top right corner. The newly created question will be automatically linked to this question.

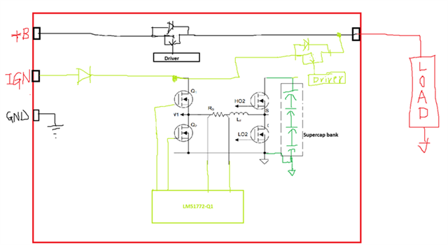
LM51772-Q1: Buck Boost IC for PBU

Part Number: LM51772-Q1

Tool/software:

Hello,

Below are the queries on IC LM51722-Q1 for the power backup application:

1. How to change mode from charge to discharge? Or does it happen automatically?

 

 

  1. how to set output voltage in discharge mode and charge mode?  For example if I want to charge supercap bank to 11V (Charge mode) and during discharge output should be 12V (discharge mode)?

 

  1. below is the PBU application requirement. Will LM51772-Q1 support as shown  below? Please confirm?

 

 

  1. What is the pin configuration for SDA SCL in case if I2C is not required??