This thread has been locked.

If you have a related question, please click the "Ask a related question" button in the top right corner. The newly created question will be automatically linked to this question.

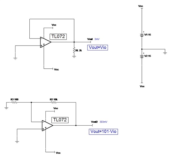
TL072 input offset(Vio) test circuit

Other Parts Discussed in Thread: TL072

 

Dear TI

 

Can we have input offset(Vio) test circuit for TL072?

 

MD

  • MD,

    The proper method involves a servo loop to indirectly control the TL072 output (to 0V) then then the pre attenuated input signal is measured and scaled. 

    When the input common mode is the same as output voltage for VIO which is true for TL072 VIO test, a simple test without a servo can be used.
    See attachment. The TL072 VIO is same as output voltage.

  • MD,

    There are many ways to measure Vio but by definition as long as the input common-mode, Vcm, and the output voltage, Vout, are close to mid-supply, they should give the same answer - see two examples below.  Any variation in the circuits below from Vcm=0 results is additional CMRR error (CMRR=delta_Vio/delta_Vcm) while any deviation in Vout from mid-supply results in AOL error (AOL=delta_Vio/delta_Vout).