Dear Experts,
The inputs of a ADC ( TMS320F28335 ) is in the range of 0 to 3 Volt.
The outputs of a transducer is in the range of -5 to 5 Volt.
It is required to shift the output signal of the transducer to 1.5 Volt and to decrease its amplitude.
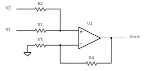
I can use the below circuit.
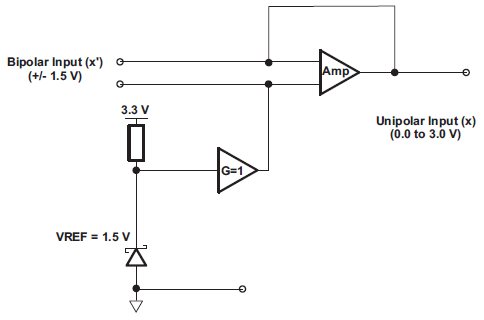
Also I saw the the below circuit in a TI application note.
May there is other solutions, I don't know!
Q1- Which solution is better?
Q2- Is there a dedicated IC for this reason?
Q3- Please suggest me a practical circuit ( contain IC number )?
Best Regards,
Ras Sharif



