Hi Team,
Could you please help us support our customer about THS7347 ?
[Question]
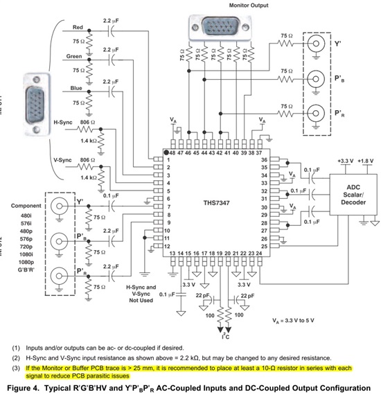
There is a following description in the datasheet Figure4.
"If the Monitor or Buffer PCB trace is > 25 mm, it is recommended to place at least a 10-Ω resistor in series with each signal to reduce PCB parasitic issues."
Could you please give us detail explanation why and where you would need >10 Ohm resistor ?
Do you need to add the resistor addition to 75 Ohm in the figure ? We appreciate if you could also tell us how to choose this resistor value.
[Background]
Our customer is facing a problem that they have noise issue in the output video.
They have long transmission line trace and had connected the 75 Ohm resistor 130mm away from THS7347 monitor output pin.
However, by connecting this 75 Ohm resistor much closer to the THS7347 monitor output pin, about 10mm, this noise issue were solved.
Thanks in advance.
Best Regards,
Kawai
