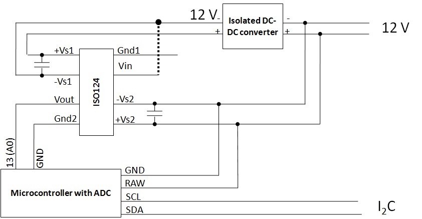
I am planning to use multiple ISO124 devices i(one per cell) in a battery voltage monitor. I want to reduce Vin current to the absolute minimum (nano-amp range preferably) to avoid distorting test data, so will be powering Vs1 and Vs2 from external power. A microcontroller will read and process Vout data.
I have three questions
a) Does this sound practicable as an approach?
b) If so, will it damage the ISO124 if Vin is left connected when the power supplies are powered down?
c)If Vin is connected with the the power supply off, will there be any current at Vin?


