This thread has been locked.

If you have a related question, please click the "Ask a related question" button in the top right corner. The newly created question will be automatically linked to this question.

XTR117 Output Latching

Other Parts Discussed in Thread: XTR117

Hello,

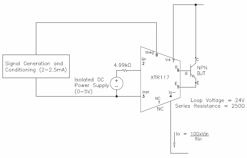
When using XTR117 in an application that outputs a 4-20mA signal (under region of concern), but rails at ambient conditions (going to the XTR117 current limit), I observed some of the current transmitters appear to latch.

I modified a transducer circuit (disabling the sensor input and replacing it with a DC supply). The transmitter behaves nominally when in the 4-20 mA range (.2-1V). However, when the signal voltage reaches ~1.40-1.45 V (which happens when the sensor goes to ambient conditions) the transmitter will no longer follow input voltage (staying near ~32-35mA, even if the input voltage goes back down).

I'm not concerned with the response of the transmitter outside of the 4-20mA range, so long as it returns once the signal drops to 1V. After the output latches and the input signal is reduced below the ~1.4V, cycling the power will cause the transmitter to respond again (until going above ~1.40-1.45V).

This happened with a few of the transmitters that I've used for this application. I'm curious why this happened to only a couple of the transmitters and if there is any suggested way to prevent it from happening.


Thanks,

Brian

  • Hello Brian,

    We haven't encountered this issue before, it's interesting that it only occurs on a few of the transmitters. Do you test this condition on all of the transmitters? Would you please share your schematic so we can take a look at your design?
  • Hello Collin,

    I took one that was latching and tested it. In application,  the transmitters see ~4.7-4.9V (at ambient conditions) from the sensing circuit and (typically) recover after the input is reduced below ~1.3-1.4V (once the output would be below ~32mA). I'll try a couple more transmitters in this configuration (bypassing the sensor circuitry with a supply) to see how they respond.

  • Hi David,

    To confirm your testing, you plan to disconnect the sensor/signal conditioning circuitry output from the input of the XTR117 and replace it with a floating dc power source? Are you trying to determine if the latching behavior is due to interactions with the sensor/signal conditioning circuitry and the XTR device?

    I'll be able to help diagnose any issues with this circuit better if you'll provide me a complete schematic of your design. You can send me a private message if you don't feel comfortable posting the schematic to the forum.