Hello,
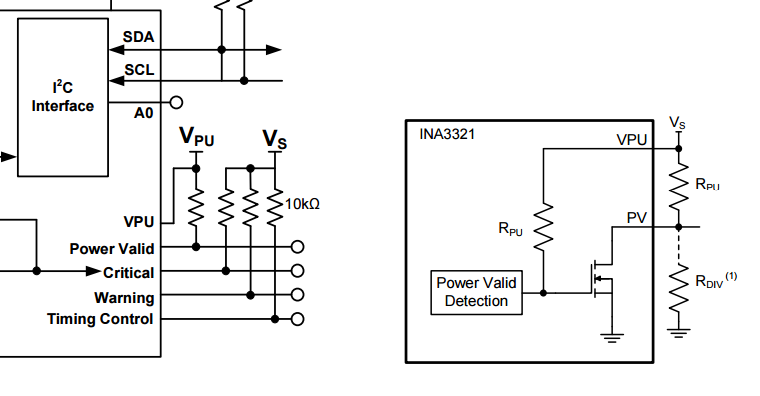
I want to use a INA3221 to perform current and voltage measurements but I don't need to use the alert output pins ("VPU"; Power-Valid; Critical; Warning; Timing Control).
Is it possible to connect these PINs to GND or leave unconnected? Including VPU?
The datasheet does not explain very well how the VPU input is internally connected, and if I can leave it opened or connected to GND or if the VPU need a valid voltage (Ex 3V3).
Best regards.
