This thread has been locked.

If you have a related question, please click the "Ask a related question" button in the top right corner. The newly created question will be automatically linked to this question.

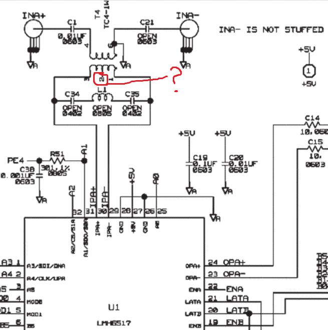
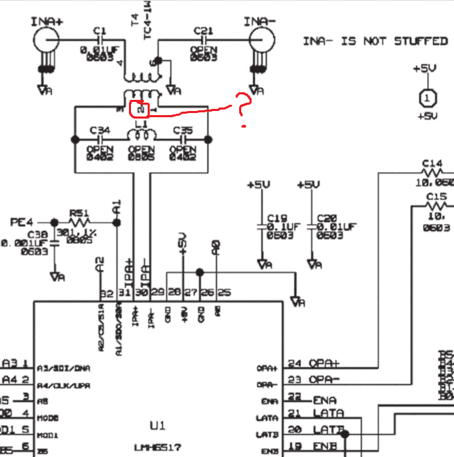
LMH6517 input matching

Other Parts Discussed in Thread: ADC16V130, LMH6517

Hello.

In our design we are using LMH6517 and ADC16V130 (First Nyquist zone).

The input schematic part of LMH6517 is the same as in AN–1942  "LMH6517 Evaluation Boards".

1) The middle point of  transformer  T4  isn't grounding by a capacitor. Is it correct ?

2) If i use only (A)  channel of LMH6517, I must:

-> IPB+, IPB-, ENB  connect to GND

- >14pin disconnected

My understanding is correct?

Thanks.