This thread has been locked.

If you have a related question, please click the "Ask a related question" button in the top right corner. The newly created question will be automatically linked to this question.

MULTI-CAL-MSTR-EVM was working with PGA308 example modules but is now malfunctioning.

I have a multi-cal system the just a master board.

It was working great with the example PGA modules but now it does not!

 

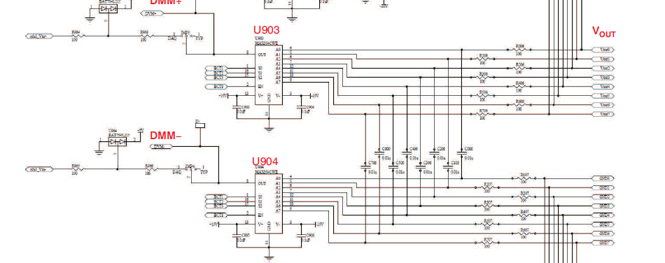
I was able to discern that there is a very high probability that somehow the following components U903 and U904 may be damaged on the calibration board

 

I came to this conclusion, because the sample UUT modules are communicating and being powered correctly,

all of the support voltages are present +/-15V

Also, the UUT's their outputs work.. that is their outputs are 1V for the 1mV stimulus switch setting and 3V for the 3mV stimulus switch setting.

That is, until the two analog switches U903 and U904 are activated for the calibration software to start observing the output of the PGA’s via the DVM

(the UUT’s are muxed into the meter one at a time to the meter left to right in the above diagram)

at that point, the outputs of the PGA look like they are being "collapsed", the most that they can get to is 0.6V 

which my intuition tells me is a  these analog switches is faulty  and it is "clamping" the output of the UUT's PGA output

 

I will continue trying to debug the solution These devices are MAX354’s which are supposedly “fault protected”

So in a way, I am doubtful that they are the cause, but there really is no other active components in the path from the UUT PGA to the meter

that I can discern from the documentation and schematics.

So I am going to double check my suspicions on Friday.

I was wondering if anyone else had experienced a failure on their master board, like I am seeing.