Tool/software: WEBENCH® Design Tools
Hello every one
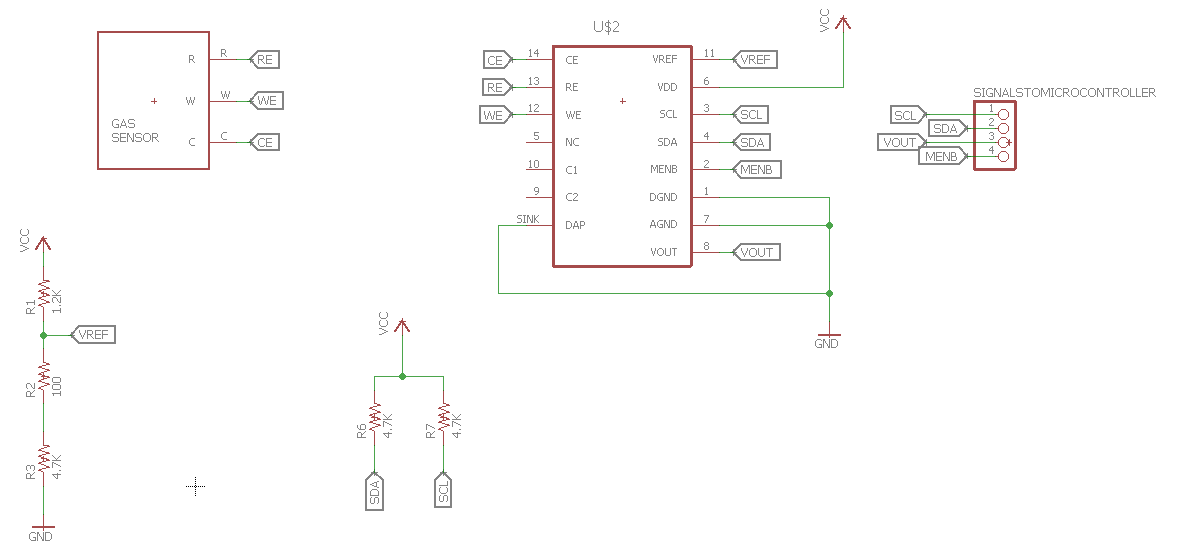
i am working in the development of an air quality monitoring system of two pollutants which are Carbon Monoxide and Nitric Dioxide. I am using the electrochemical sensors 4-CO-500 and 4-NO2-20 whose outputs are in microamperes. So i am also using the lmp91000 to convert this output signals from the sensors in voltage. I used the tool webench designer to set the values of the registers of these IC according to the sensors i am using. I am using a microcontroller to set the AFES through i2c. i check if the registers of the AFES were correctly set printing a text in a display lcd that is going to appear only if all the registers of both afes have the values i put in them. The problem is that when in make the circuit works i measure the voltage output of the afes and i get a voltage without the sensors connected to them and this ones doesn't coincide with the voltage measurement it supposed to be according to the gain set. in the picture is the circuit of how i am using the afes
