This thread has been locked.

If you have a related question, please click the "Ask a related question" button in the top right corner. The newly created question will be automatically linked to this question.

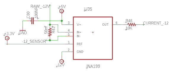
INA199: Output Saturated at -300mV When Attempting to Sense Current on -12V Rail

Part Number: INA199


Shown above is my configuration for a -12V rail current sensor using the INA199A2DCKT. The "RAW_-12V" net is the power supply rail. The"-12_SENSOR" net is connected to the load. The +3.3V reference is coming from an LD1117. Currently the output is constantly saturated at -300mV, regardless of being loaded or not. I have implemented this circuit before with a +5V reference and it performed normally: without a load, the output sat at about 4.87V and dropped to 4.63V when a load drew 50mA from the -12V rail. I would expect my current setup shown above to have an output of about 3.1V that drops proportionally to the differential input as well.