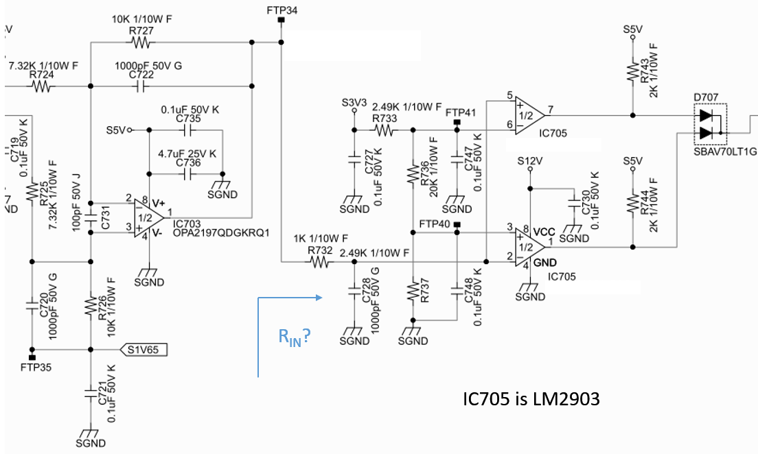
I would like to calculate the VOL of IC703 (OPA2197). The VOL of op amp is depent on the load. So, what the RIN of comparator circuit which is shown above? R737 is 2.49kOhm.
This thread has been locked.
If you have a related question, please click the "Ask a related question" button in the top right corner. The newly created question will be automatically linked to this question.
Hi Yee,
have a look at this simulation:
You can see, that there's no relevant voltage drop across the 100k resistor. So, the input of LM2903 is very high ohmic.
The Rin of comparator is dominated by C728. But the impedance of a 1nF cap only beomes relevant at very high frequencies. The impedance of a 1nF cap at 1kHz is 160kOhm and at 10kHz is 16kOhm.
Kai