This thread has been locked.

If you have a related question, please click the "Ask a related question" button in the top right corner. The newly created question will be automatically linked to this question.

recommanded current detection IC

Other Parts Discussed in Thread: BQ40Z50

hi Team,

customer is looking for a current detection IC, that if the current exceeds the set threshold, the IC can have an output signal to pull low and alert the system.

the idea is to measure the current passing through lithium battery  (can add a Rsense in series of the battery to get the current)

the battery configuration will be 2S2P, so max voltage can be 8~9V, and wants to monitor the current passing through each of the parallel cells (one on top stack and one on bottom stack). due to the parallel connected cell is not the same model, one may have lower current threshold, so we want to monitor the current passing that particular parallel cell (can add a Rsense in series of that cell for the current measurement)

the current threshold needs to be configurable, and once the current exceeds the threshold, the IC just need to output a low signal to the system

please kindly suggest a suitable IC and prefer to have less consumption current. Thanks

  • Hello John

    if the terminals of the cells are connnected in a 2s2p config, the current going through each of the units would be same. We do not have a specific gauge that addresses such concerns of giving an alert when the current goes above a certain threshold, however, you could possible use one of our gauges with over current protection and an alert pin.. Like the bq40z50

    thanks
    Onyx
  • hi Onyx,

    Thanks for the feedback.

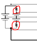
    the idea is to sense one of the current path in the parallel connection. (depict below)

    the bq40z50 is already being used. but due to the parallel cells is not the same model, one can be having a less current tolerance. so we want to monitor the current flow to the cell. the proposal now can use external current sending IC to detect the current on the path and alert the system

    Thanks

  • Hi John,
    We do not have such ics to do that

    thanks
    Onyx