This thread has been locked.

If you have a related question, please click the "Ask a related question" button in the top right corner. The newly created question will be automatically linked to this question.

USB2ANY: MSP430F5529

Part Number: USB2ANY

Hi,

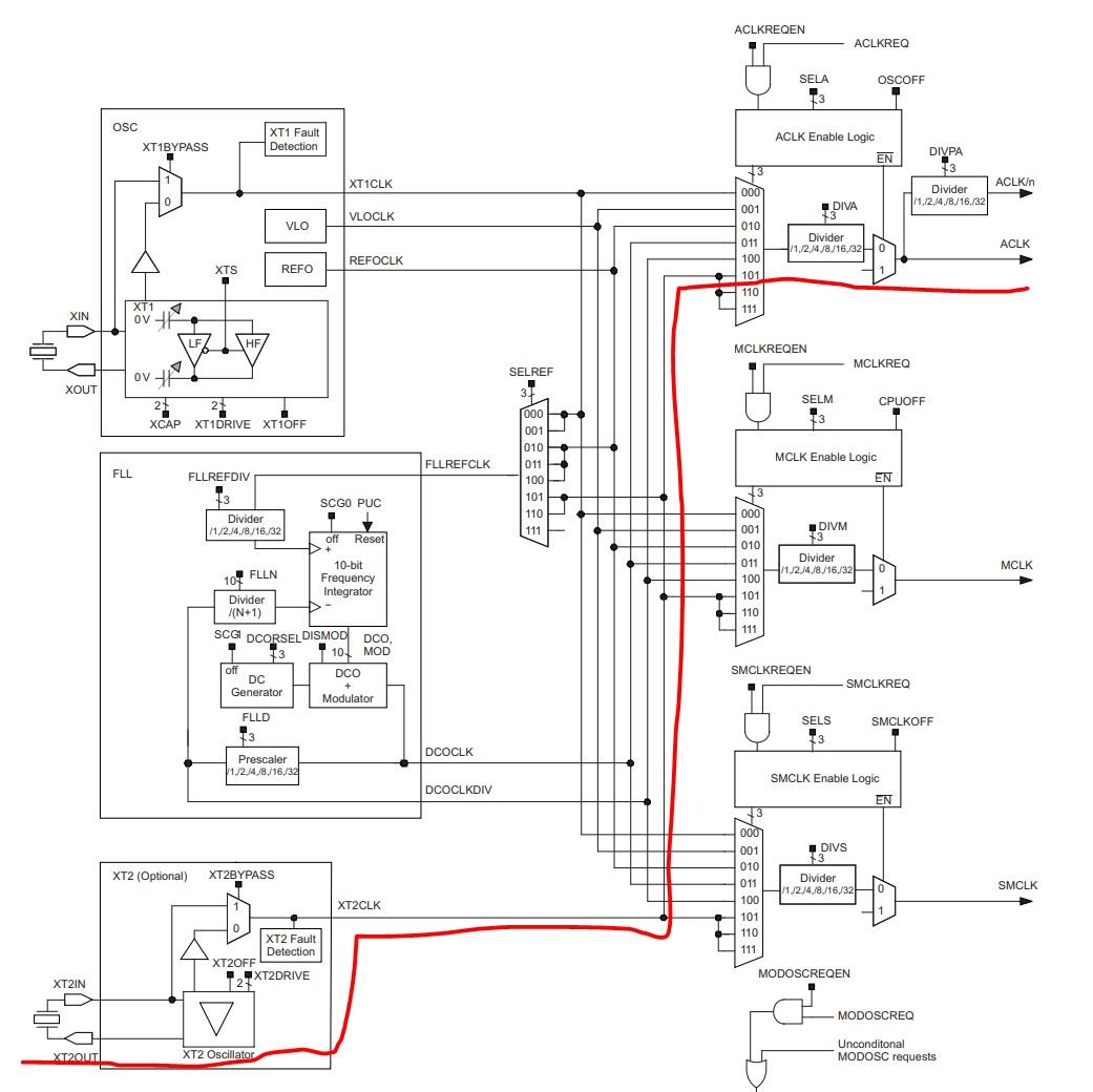
I plan to use the USB2ANY as the controller for an EVM that I am developing. The chip on my EVM requires a 10MHz clock source. It looks like the MSP430 on the USB2ANY can support up to 25MHz through the ACLK pin, so I am in luck. However, I cannot find any information about the clock accuracy or clock jitter. I think this will depend on the crystal oscillator on the USB2ANY as well, but there is no BOM, so I do not know the oscillator specs. 

Could you help me determine the clock accuracy and jitter for a 10MHz output from the USB2ANY?  Or point me in the right direction.