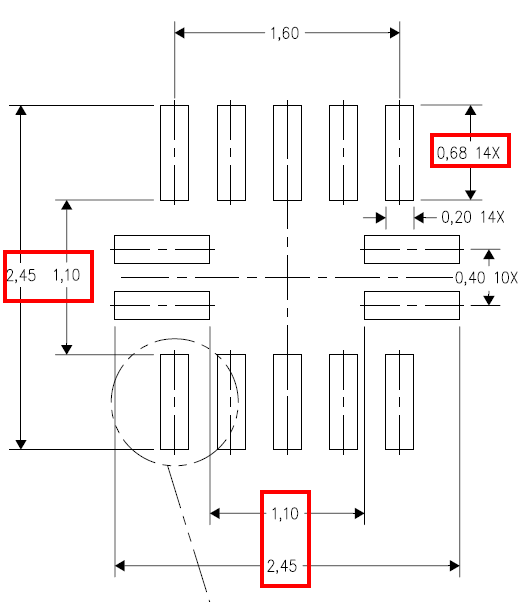
Dear team,
Please help to check the pad dimension size as below:
0.68+0.68+1.1=2.46, why it is marked 2.45mm on the datasheet?
Thank you.
Kane
This thread has been locked.
If you have a related question, please click the "Ask a related question" button in the top right corner. The newly created question will be automatically linked to this question.
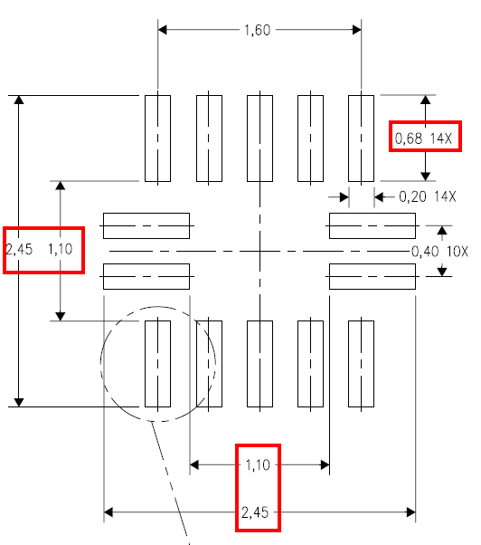
Dear team,
Please help to check the pad dimension size as below:
0.68+0.68+1.1=2.46, why it is marked 2.45mm on the datasheet?
Thank you.
Kane