Other Parts Discussed in Thread: DRV134, THS4131
Dear TI
I want to implement an analog circuit like the Block Diagram below. Recommend reference Docs and opamp products.
(Differential-ended cable , flat cable , long distance ~50cm)
Regards,
Choi
This thread has been locked.
If you have a related question, please click the "Ask a related question" button in the top right corner. The newly created question will be automatically linked to this question.
Hello Choi,
Can you give more details on your input? What is the voltage range going to be? At what frequencies?
Best,
Hasan Babiker
Dear TI
Thank you for answer.
I asked about the connection between the single amplifier and the differential amplifier, because the experimental environment I use and the area of the equipment I develop are quite large.
The dsp and insulation solutions provided by ti are very good. But the industrial products I develop are often bulky. Typical examples include welding machines, small electric car chargers, and inverters.
Then the position of sensing voltage and current becomes very long. Often in the laboratory more than 50~cm.
In addition, since the environment is noisy, the sensor circuit itself is often used separately from the controller. If this is not used, high current or high voltage signal must be connected to the controller, which requires very difficult connection depending on the product.
And I use more than 8 channels of signal. In this case, many signal line cables are needed.
There may be a solution such as spi adc, but first, it is difficult to modify it to fit the dsp controller and new code must be developed. And since c2000 implements real time interrupt in ad port, it is preferable to read real time signal rather than controlling adc through spi communication.
Regards,
TI
Dear Hasan and TI
There are two types of voltage signal frequencies.
600Hz or less (circuit close to dsp controller)
10 kHz or less (circuit far from dsp controller)
The frequency of the current signal varies
Hall sensors (lem, melexis etc) are used for insulation purposes.
In most cases, the purpose of removing white noise and pulsed environmental noise is large)
100k ~ 250kHz (circuit far from dsp controller)
30kHz (circuit close to dsp controller)
Best Regards
Choi
Dear Kai
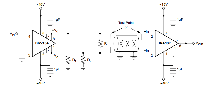
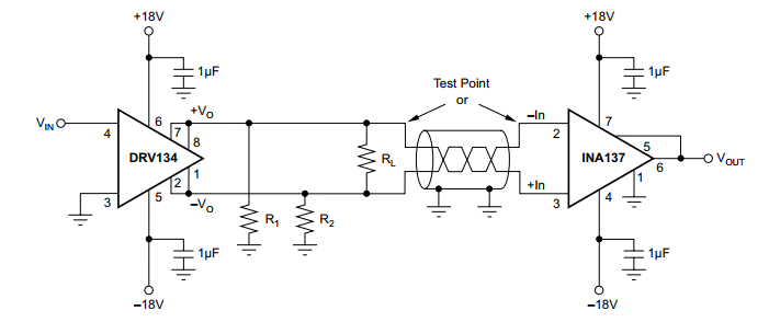
DRV134 seems to be an audio product, can it be used for industrial purposes?
Regards,
Choi
Hello Choi,
There shouldn't be issues using the DRV134 in an industrial application, in fact "Industrial instrumentation" is listed as one of the applications on the datasheet. Another option for single-ended to differential conversion would be to use a fully differential amplifier.
Best,
Hasan Babiker
Yes Choi,
What Hasan is maybe suggesting for these higher supply lower speed requirements is a part like the THS4131.
If you are swinging pretty high swings there, check your signal slew rate against the device slew rate.
Hello,
Yes, thank you Michael for the clarification. Here is a document discussing how to do this:
http://www.ti.com/lit/an/sboa332/sboa332.pdf
Best,
Hasan Babiker
Dear Hasan Babiker
Thank you for your advice.
The FDA using single Power supply, you've given me a lot of help. Is there 'a differential-ended to single-ended OPAMP circuit' that uses a single power supply if possible?
(i find another documents, Differential input to differential output, but don't find Differential to single output)
In fact, I didn't think 'a single to differential-ended opamp circuit' was configurable as a single Power supply.
Best regards
Choi
Hello Choi,
In regards to differential to single-ended conversion, you may want to use an instrumentation amplifier:
http://www.ti.com/amplifier-circuit/instrumentation/products.html
Best,
Hasan Babiker
Hi Choi,
is you cable 50cm long or 50m?
In an industrial ambient I would think about adding protection circuitry against ESD, BURST and SURGE. This might be needed to comply with the CE standards.
Kai
Dear Kai
Thank you.
I will also review protection circuits and components separately.
I belong to a laboratory that researches power electronics technology. I make a lot of large prototypes. In most prototypes, the measurement position of the voltage current sensor is placed close to the controller. However, it is not very close and is often more than tens of centimeters away. Typically, the hall current sensor is far from the controller (ex: lem hall sensor). If you are curious about the lab environment to which I belong, refer to the link below.
https://www.youtube.com/channel/UCJTuHMU2TO0WMMhdmDzCHFA/videos?view_as=subscriber
Best,
Choi