This thread has been locked.

If you have a related question, please click the "Ask a related question" button in the top right corner. The newly created question will be automatically linked to this question.

LMH6642: Does TI has a similar amp as LMH6642MF with GBWP~100MHz?

Part Number: LMH6642

Dear Sir/Madam,

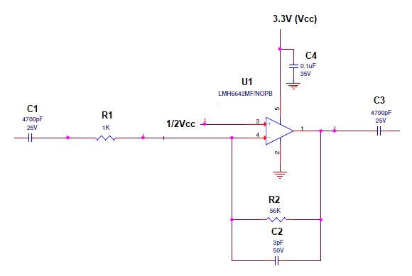
I am using LMH6642MF/NOPB as an inverting amplifier with gain = 56. The operating frequency is at 1.6MHz.

The cut-off is intentionally at 1MHz

The GBWP is about 57MHz for LMH6642MF. 

 

I want to increase the gain = 100. Does TI has a similar amp as LMH6642MF with GBWP~100MHz?

Best Regards,

KPK