Other Parts Discussed in Thread: THS4551
Dear Support Team,
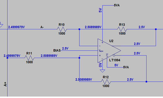
Am simulating some of analog circuits in LT spice , So i have used LT1994 part and observed result are matching with my calculated values.
When i replace LT1994 part into TI part THS5421 i could see difference in output voltage/Gain with THS4521. I believe some issue in THS4521 model. Could you please help us and sort it out
Please see the below image for better understanding.
Simulation With LT1994
Simulation With THS5421:
Thanks
				
                          

