This thread has been locked.

If you have a related question, please click the "Ask a related question" button in the top right corner. The newly created question will be automatically linked to this question.

LM358-N: The circuit on the LM358N is unstable

Part Number: LM358-N
Other Parts Discussed in Thread: LM358, TL3472, LM6142, TLE2142, TLC082

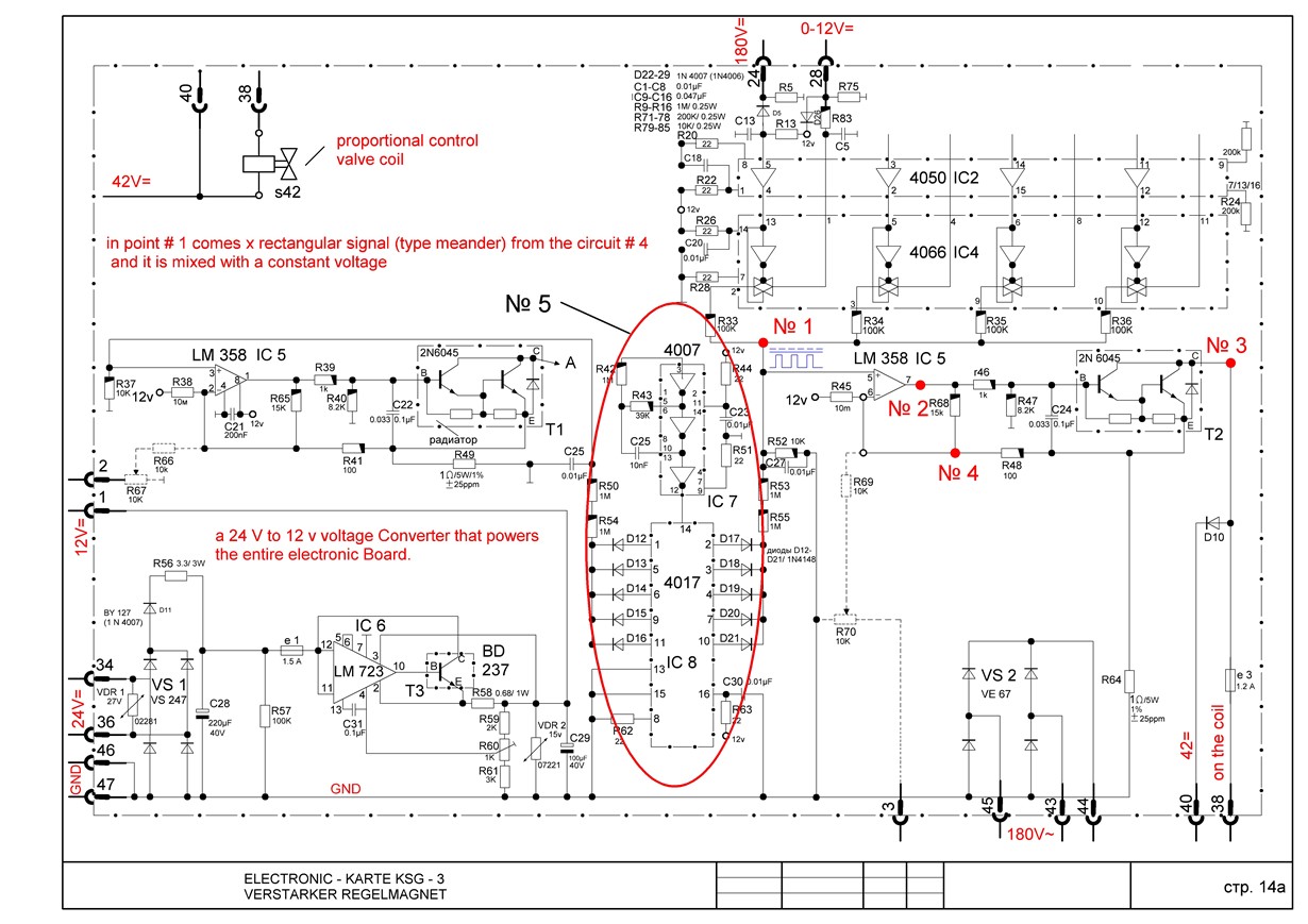
Help me figure out the electronic circuit. The electrical Board stands on the equipment that controls the proportional hydraulic control valve. The electrical Board came to me in a non-working condition. I'm not an electronics engineer, I'm a different kind of engineer. I had a very long time to understand the electrical Board, but still I managed to debug the electrical Board, but it works unstable. For a long time I could not understand what was wrong, but I think I figured out that the operational amplifier lm358-N from Texa Instruments works unstable (like noise).
I wrote to the support Department of texas instrument s for one purpose that I was helped to find a stable operating amplifier, in response, I was told that I should throw off the parameters of the operating amplifier. I don't know exactly what parameters of an op amp are needed, I'm not an electronics engineer.
A brief description of my scheme with waveforms. My scheme is similar to pulse width modulation. The lm368 leg 5 is fed a constant and rectangular signal, the output of the transistor is a rectangular signal with a frequency of about 40 kHz. The scheme works, but is unstable.
Please look at the two signal forms # 3 without counter 4017 and with counter 4017 that are fed to the proportional hydraulic coil, as well as the other signal forms. Help me find an analog of the lm358N and I want to know what is the reason for the instability of the lm358N ?
I have nothing against the company Texas Instruments just operational amplifier LM358-N is not suitable !!!
         It may seem funny, but this is one of the main problems of my life. Hope for help !!!

  • Hello Maxim,  Welcome to the e2e forum.

    Try removing C22 and C24 , the placement of these caps is bad for stability so it is not too surprising that oscillation occurs.

    Normally these caps would be across R65 and R68, but that may dull the PWM switching edges.

    If you want try another slightly different op, use LM358P

    Which nodes (test points) belong to the waveforms?

     

  • Ron Michallick said:

    Hello Maxim, Welcome to the e2e forum.

    Try removing C22 and C24 , the placement of these caps is bad for stability so it is not too surprising that oscillation occurs.

    Normally these caps would be across R65 and R68, but that may dull the PWM switching edges.

    If you want try another slightly different op, use LM358P

    Which nodes (test points) belong to the waveforms?

     

    The first two waveforms (имя файла #18 and #14) belong to No 1

    The third and fourth waveforms (имя файла #01 and #18) belong to No 2

    The fifth and sixth waveforms (имя файла #15 and #16)belong to No. 3

    The seventh waveform refers to No. 7

    The circuit will not work without a C22 and C 24 capacitor.

    Waveforms #18 and #16 are without the 4017 divisor counter.

    When I start the circuit in operation, the electrical Board starts to work with fluctuations, when I disconnect the 4017 counter from the circuit, the circuit continues to work and the waveform becomes stable.

    From this article I thought my op amp was making noise. 

    https://www.edn.com/managing-noise-in-the-signal-chain-part-1-annoying-semiconductor-noise-preventable-or-inescapable/

    In your opinion, why should the lm358P chip fit me ?

    I am Russian, I don't know English, I use a translator. Therefore there may be inaccurate translations.

  • Maxim,

    I assume the first two waveforms are test point 'No1'; noisy is bad waveform result and cleaner waveform is good. This test point is is the input signal for the operational amplifier . Therefore , the operational amplifier could not have created this noisy signal (directly).  The 'No2' waveforms are slow rising and falling, LM358 may not be fast enough to control the current sink circuit.

    I see that LM358 is in a socket, does the problem occur and go away by changing the device in that socket?

    Trying LM358P is just a chance for a different result. I have no knowledge if this would be better , worse, or the same. (probably the same)

    There are many other faster choices, TL3472, TLC082, TLE2142, LM6142, LMC6132

  • Hi Maxim,

    have you contacted the manufacturer?

    Do you have some data on the valves? Inductance, resistance, resonance frequency, etc.?

    Have you changed the valves lately?

    Kai

  • [quote user="Ron Michallick"]

    Изречение,

    Я предполагаю, что первые две осциллограммы являются тестовой точкой "No1"; шум-это плохой результат осциллограммы, а более чистая осциллограмма-хорошая. Эта тестовая точка является входным сигналом для операционного усилителя . Поэтому операционный усилитель не мог создать этот шумящий сигнал (непосредственно). Сигналы " No2 " медленно поднимаются и падают, LM358 может быть недостаточно быстрым, чтобы управлять цепью токоотвода.

    Я вижу, что LM358 находится в сокете, возникает ли проблема и уходит ли она, меняя устройство в этом сокете?

    Попытка LM358P - это просто шанс на другой результат. Я не знаю, будет ли это лучше, хуже или то же самое. (вероятно, то же самое)

    Есть много других более быстрых вариантов, TL3472, TLC082 , TLE2142 , LM6142 , LMC6132

    I Will try to answer as soon as possible[/цитата]

  • [цитата пользователя= " kai klaas69"]

    Привет Максим,

    вы связывались с производителем?

    У вас есть какие-то данные по клапанам? Индуктивность, сопротивление, резонансная частота и т. д.?

    Вы недавно меняли клапаны?

    Кай

    Я постараюсь ответить как можно скорее[/цитата]

  • Thanks :-)

    Kai

  • Hello, I apologize for the long response. Too much work. I ran tests on the LM358P Texas Instruments chip, but the Circuit didn't start. I have a suspicion that THIS lm358p chip is a fake.

    TL3472, TLC082 , TLE2142 , LM6142, LMC6132 in our country (Russia) it is difficult to get these positions. They only go to order.

    TL3472, TLC082 , TLE2142 , LM6142, LMC6132 in our country (Russia) it is difficult to get these positions. They only go to order. I will order lm6142 (delivery time 3-5 weeks). The scheme I have assembled on two boards and on the layout Board (photo attached), all the schemes have the same problem.

    Can you tell the op amp what the main parameters are ?

  • Maxim Kachurin said:

    [цитата пользователя= " kai klaas69"]

    Привет Максим,

    вы связывались с производителем?

    У вас есть какие-то данные по клапанам? Индуктивность, сопротивление, резонансная частота и т. д.?

    Вы недавно меняли клапаны?

    Кай

    Я постараюсь ответить как можно скорее[/цитата]

    На гидрораспределителях есть две катушки, одна родная (старая), вторая новая. Узнать параметры от старой катушки не представляется возможным. Я купил новую катушку в Германии, пытался получить информацию о параметрах катушки (но мне ее так и не дали). Я снова сделаю запрос на параметры катушки, может быть, на этот раз мне повезет.

    у меня также есть прибор LCR meter, я могу использовать его для снятия показаний катушки (я специально купил его для этой цели). Я сниму показания и дам вам знать.[/цитата]

  • Hi Maxim,

    I'm a German. I could do the telephone job with the manufacturer for you :-)

    Kai