This thread has been locked.

If you have a related question, please click the "Ask a related question" button in the top right corner. The newly created question will be automatically linked to this question.

XTR115: Output drifting high and staying there if load is disconnected and reconnected

Part Number: XTR115

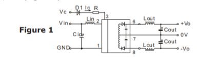
I have been using this schematic for a number of years and just now noticed an issue that I don't know how to solve.  If the circuit is outputting say 12ma or higher and is connected to a milliamp input of another device it will work fine unless the input (load) is disconnected.  When it is reconnected (under power), the circuit does not know how to compensate and at 20ma output, it will come back on at 21ma and drift up to its limit around 23ma.

If this control code is changed to lower the output, it will lower it to 4 or 8 or even 12ma, but at 12 or higher, the output will be off and drift higher.  Sometimes it will reset after being low long enough.  I need to figure out what is wrong and how to compensate for that and stop this from happening.  Am I missing something in my design?  It is being controlled from a microprocessor through an isolator chip.  We are normally driving an analog input on another board that has a 100 to 250 ohm resistor across the output terminals shown on my schematic.

Under normal conditions when nothing is unplugged, everything works perfectly.  I have not seen any issues.  It is just that it breaks and does not seem to know how to correct itself if the output is unplugged from the load, especially if outputting higher ma values.

Is there a way to keep the chip powered up when the load is disconnected (if that would help), or is there some other component I need to keep the chip from losing its mind when that happens?  I don't see any mention of this condition in the literature.

 

Thanks,

David

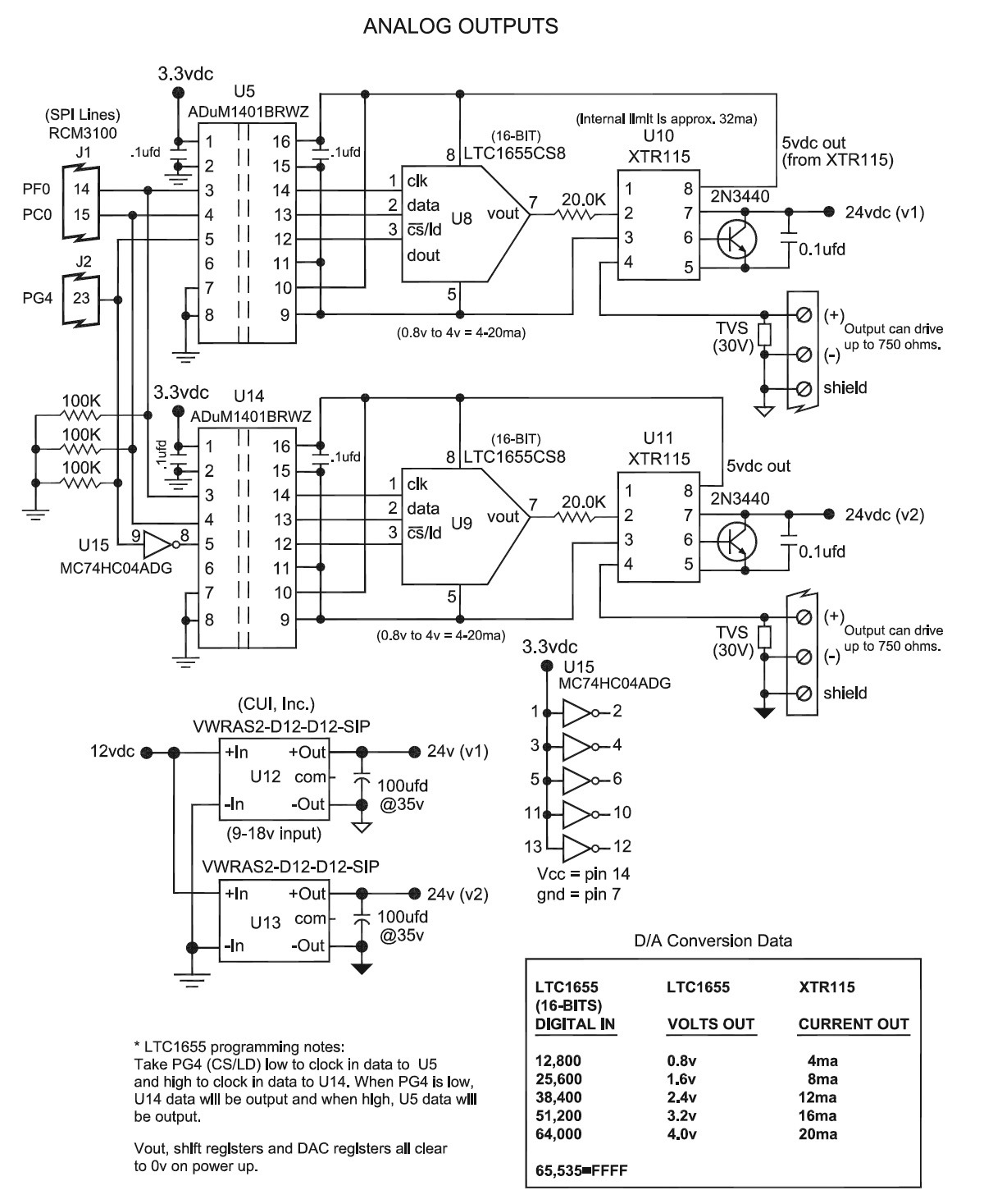
  • This is an update and I will know for sure in the morning, but I think I found my problem.  I also have designed a 4-20ma loop calibrator using this exact circuit and it is working perfectly.  I started going over the differences in the schematics and I noticed that on the controllers that have the issue I mentioned, I put a filter capacitor across the 24vdc output power supply (DC/DC converter).  My loop calibrator does not have that.  I also noticed that if I make the unit mess up, if I leave it disconnected for 2 minutes before plugging back in, it works.  I think it is the power supply draining off slowly that is causing the issue and confusing the circuitry.  As you can see by my schematic, there are two 100 ufd electrolytic capacitors and on another board I have 2.2 ufd tantalums, but they are having the same issue.  I will remove those capacitors in the morning and see how it goes.

  • Hi David,

    The VWRAS2-D12-D12-SIP does have a recommended filtering circuit to reduce ripple: 

    But let us know if you end up fixing your problem tomorrow morning! If not, we will be happy to help with debugging your problem. 

    Best,

    Katlynne Jones

  • Hi David,

    take care, many of these switchers have a minimum load current specification. They can behave weird, if this minimum current isn't flowing. Just last week I tested a 1W switcher from mean-well which gave out twice the nominal voltage (!) with a too light load. I would add a load resistor at the output of switcher to provide a dummy load, preventing the output current from falling below the specified minimum current :-)

    Kai

  • Thanks for the replies... The capacitors across the power supplies were not the problem.  When I thought about it a little more I could not see that they would affect anything.  They probably are not strictly needed, but they are not the problem.  I connected a voltmeter across the 20.0K resistor between the A/D converter and the XTR115.  The voltages seemed stable.  While the voltmeter was attached the problem went away!    I had soldered a couple of wire leads to each end of the resistor for easy access since they are surface mount parts.  I also noticed that without the voltmeter across the resistor, if I made it fail and I touched the wire attached to pin 2 of the XTR115 that also cured the problem.   My cure was a 0.01ufd capacitor from the output of the A/D converter to the power supply common.  That seems to have cured the problem.

  • Hi David,

    the LT1655 has a voltage output. Mounting a capacitive load of 10nF to this output is risky because it will erode the phase margin and can cause instability. Quite honestly, I don't think that this is a feasable solution.

    Kai