This thread has been locked.

If you have a related question, please click the "Ask a related question" button in the top right corner. The newly created question will be automatically linked to this question.

THS4631: Recommended decoupling capacitor for Vs

Part Number: THS4631
Other Parts Discussed in Thread: OPA810, , OPA656

Hi Experts,

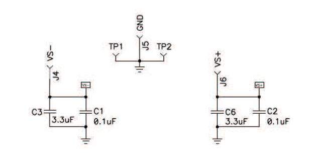
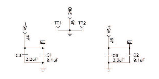
There are several explanation about recommended decoupling capacitor for Vs on the datasheet.

  • P14: Minimize the distance (< 0.25”) from the power matched impedance transmission line using supply pins to high frequency 0.1-μF and 100-pF microstrip or strip line techniques (consult an ECL de-coupling capacitors.
  • P18 : 2.2uF and 0.1uF
  • P19 : 3.3uF and 0.1uF

Which value is our recommendation for decoupling capacitor for Vs?

Regards,

Uchikoshi

  • Good morning Uchikoshi-san

    That's a pretty old datasheet done long ago in Dallas - 

    1. Matched impedance supply line traces are not necessary

    2. The larger capacitor can be anywhere from 1uF to 6.8uF approx and does not need to be close by as it is going to go self resonant at low F anyway. 

    3. The smaller cap, usually 0.1uF, should be right at the device pins into a good ground plane - that ground plane needs to not add parasitic C to the I/O pins - 

    4. For slightly better performance, we sometimes use very low inductance X2Y cap for that cap at the supply pins - the idea is to move the self resonance F way up in frequency looking out the supply pins.

    5. A more recent device might be of interest vs. the THS4631, the OPA810 

    You should probably look at a part like the OPA656 EVM for better information, here is that text I wrote many years ago and shows up in a lot of the datasheets, 

  • Hello Michael-san,

    Thank you for your answer.

    Regards,

    Hisao Uchikoshi