Other Parts Discussed in Thread: CDCI6214, CDCE6214
HI:
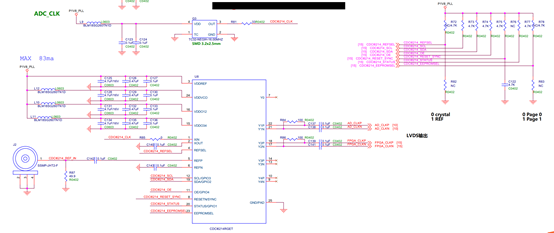
We have problems with some CDCI6214 in our products.We use CDCI6214RGET as the clock circuit;Enter the 16 MHZ;204.8 Mhz output;The output clock is used as the sampling clock of ADC.The circuit schematic diagram is as follows

The output clock has spurious noise as follows 171.2mhz, 237.6mhz

How can I set it to eliminate these spurious noise? Thank you!