This thread has been locked.

If you have a related question, please click the "Ask a related question" button in the top right corner. The newly created question will be automatically linked to this question.

LMK04828: the clock amplitude is low

Part Number: LMK04828

Hi Team.

My customer now use 04828 in their project.

After setting the output in LVPECL mode, connect it to the ADC differential input (1 to 2) of two channels in parallel, and the clock amplitude is only 200mV. It is very low. And it is only about 400mV when it is 1to1. The single-channel clock of our downstream ADC channel needs at least 500mV or more.

The hardware has been debugged a variety of peripheral impedance matching parameters, but they have not been improved.

  • Hi Amelie,

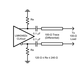
    LMK04828 LVPECL output format support more VOD voltage based on output frequency and it requires output terminations to achieve this.

    Follow the section 10.4.1 in LMK04828 datasheet for LVPECL output termination.

    I understand, customer's required max operating frequency is 1000MHz and LVPECL should have higher amplitude at this frequency than what customer is measuring. 

    As schematic image is not very clear / large enough to see the LVPECL termination at CLKin7 output of the LMK04828. After providing the sufficient termination, customer should achieve the required clock amplitude.

    Regards,
    Ajeet Pal

  • Hi Ajeet,

    Thanks for your reply.

    The LVPECL termination at CLKin7 output of the LMK04828 are as following:

    1:2,each have 2 10nF cap and 200ohm res. Is it corret.

    We have two questions:

    1. the EVM and datasheet are different.

    Why sometimes res is in front of cap, sometimes cap is in front of res?

    If customer use 1:2, what are cap and res values, use cap in front of res?

    EVM:

    Datasheet:

    2. How to measure the waveform of this CLKout?

    Customer don't have differential probe; And could they use two single-ended probes and two Oscilloscope channels (High-Z) to do subtraction to measure the waveform?

  • Hi Amelie,

    The provided termination are not good for LVPECL output. LVPECL output voltage and CM defines by the proper terminations. As suggested in datasheet, it requires the termination resistors between 120ohm to 240ohm, which will be the equivalent of the 50 ohm termination to Vcc - 2 V.

    1. the EVM and datasheet are different.

    Why sometimes res is in front of cap, sometimes cap is in front of res?

    If customer use 1:2, what are cap and res values, use cap in front of res?

    LMK04828 EVMs are designed in such a way to have all possible outputs from the board but each channels outputs are HW configured individual output format. As an example, DCLKout0/2 and SDCLKout1/3 are HW configured for LVPECL outputs, whereas DCLKout10 and SDCLKout11 are for LVDS. All other channels are terminated with 50ohms as load on board for LVDS.

    Customer at least can try with single channel after providing the proper terminations and see the amplitude level, but it may have have some stub effect from other channel, which needs to be provided terminated properly. 

    While loading 2 channels, it can affect the overall amplitude of LVPECL output and cannot guaranty to provide same amplitude level.

    2. How to measure the waveform of this CLKout?

    Customer don't have differential probe; And could they use two single-ended probes and two Oscilloscope channels (High-Z) to do subtraction to measure the waveform?

     

    Once LVPECL output terminations are corrected, LMK should generate the sufficient output power level and they can probe it with the single ended high frequency probes at Oscilloscope.

    Regards,

    Ajeet Pal

  • Hi Ajeet,

    thanks for your reply.

    For LVPECL, I have questions about the termination.

    I saw two different termination about LVPECL. One is from LVPECL requirement, another is from datasheet.

    Which one should  customer refer to?

  • Hi Amelie,

    First figure shows the termination with external biasing for LVPECL, whereas LMK04828 having internal bias at outputs and would required the terminations as mentioned in datasheet.

    Regards,
    Ajeet Pal