This thread has been locked.

If you have a related question, please click the "Ask a related question" button in the top right corner. The newly created question will be automatically linked to this question.

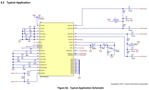
LMX2595: RFoutAP on typical application schematic

Part Number: LMX2595

Dear Team

1. The customer would like to know, RFoutAP should be pull high to Vcc with resistor or inductor? what  is purpose in different function?

From datasheet page 62.

2. From datasheet page 64, the typical application schematic shows : RFoutAP pull up both resistor and inductor. 

The customer would like to know which one they can refer.

Many thanks

Denny