Part Number: LMX2615-SP
Other Parts Discussed in Thread: TIDA-01024, LMK04832
This is probably trivial, but I didn't see it explicitly stated in the datasheet. If we are using the SYNC functionality to synchronize two LMX2615-SP ICs in a JESD204B application, will the SYSREF signals generated by each in Master mode (as opposed to Repeater mode) also be synchronized? If so, I have some follow-up questions:
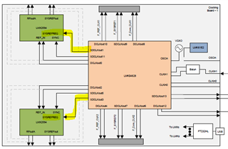
- Is there any performance benefit to using Repeater mode over Master mode? We have an LMK04832 feeding several LMX2615s, similar to what is shown in TIDA-01024. There, it seems like the LMK04832 is still generating SYSREF (see first pic), and I couldn't figure out why or if we should do the same. I'd think it would be more efficient to have the LMX2615s each produce their own SYSREF, since they're already synchronized by SYNC.
- This might be tougher to answer, but can we expect that SYSREF will experience similar variation to the device clock, as outlined in section 7.3.14? I'm hoping that the variation is in the VCO and that they mostly move together. (see second pic)

