This thread has been locked.

If you have a related question, please click the "Ask a related question" button in the top right corner. The newly created question will be automatically linked to this question.

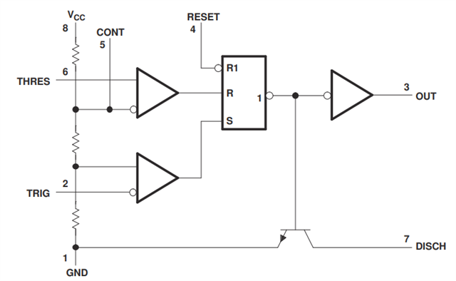
NA555: NA555 Timer failed ICT test on site

Part Number: NA555

Tool/software:

Dear TI Staff,

In current production we have issue on resistor R0402 for ICT test measurements on one of our products:

High Limit :  2.6780 kOhm

Measured : 2.7335 kOhm

Low Limit : 2.5220 kOhm

 

Golden Sample shows values:

High Limit :  2.6780 kOhm

Measured : 2.6297 kOhm

Low Limit : 2.5220 kOhm

 

The root cause of this problem is NA555. Because after cross check (replace components NA555 between good one and bad one products) wrong measurements moved on product which previously has Pass result.

the resistor (3,6k) has parallel connection with CONT (pin5) and GND(pin1) on NA555 what affect on resistor measurements. 

So, we measure resistance between this pins and has next values:

For good component -> 9,5 kOhm

For “bad” component -> 11,04 kOhm

Good component MPN : NA555 TI45M ASVT

Bad component MPN : NA555 TI49M AGGR

Could you please support me with an input can explain those two differences, or does manufacturing components location does affect on the resistance? 

Thank you so much for your support in advance,

Kind regards,

Hamed Ba alawi.