Part Number: LMX2594EVM
Other Parts Discussed in Thread: LMX2594,
Tool/software:
Dear TI Support Team,
I am attempting to generate a 160 MHz differential output and a 10.24 GHz single-ended output using a Reference Pro board as the reference source and the LMX2594 evaluation board.
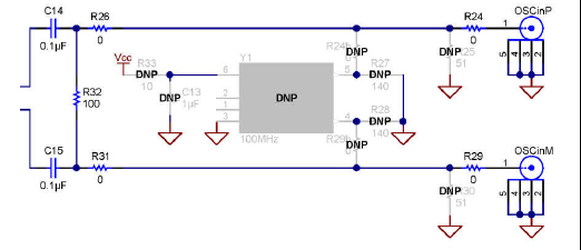
I configured the LMX2594 to accept a differential clock input and connected the boards together exactly as shown in the example connection diagram in the datasheet. The Reference Pro board circuit has not been modified. It is configured to output a 100 MHz clock with OS = 0, OE = 1, and LVPECL format.
In TICS Pro, I selected the LMX2594, applied the configuration shown in the attached screenshot, and clicked “Write All” to program the registers. However, I am not observing any output from the LMX2594.
Could you please advise if there are any additional configuration steps, hardware settings, or initialization procedures required to obtain both the 160 MHz differential and 10.24 GHz single-ended outputs?
Thank you for your assistance






