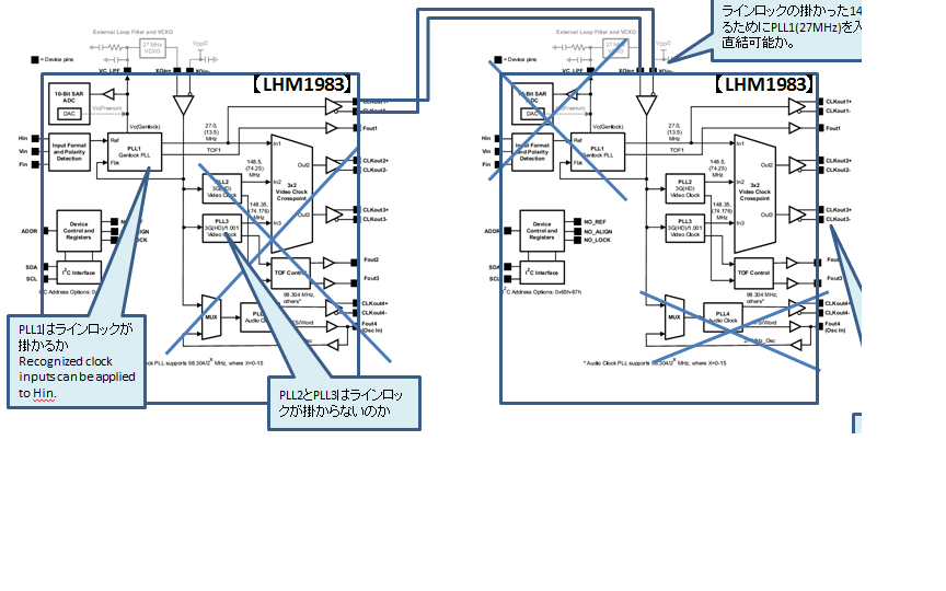
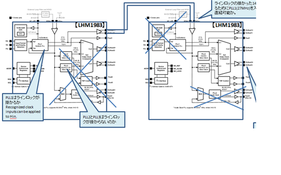
My customer want to 148.5MHz is locked Hin(Hsync).
Then, can I function to use series LMH1983 as below figure.
This thread has been locked.
If you have a related question, please click the "Ask a related question" button in the top right corner. The newly created question will be automatically linked to this question.
My customer want to 148.5MHz is locked Hin(Hsync).
Then, can I function to use series LMH1983 as below figure.
Hi Itoh-san,
I have notified the responsible engineer of your inquiry, so you may expect a reply soon.
Regards
Arvind
Itoh-San,
First of all i must say we have not tested the device in this mode and thus we cannot guarantee data sheet spec if you use the configuration you have mentioned.
Secondly, with using just one LMH1093 device the output 148.5MHz clock is gen locked to Hsync. So there is no need for the 2nd LMH1983 device. Could you please confirm if i have the right understanding of your application?
Regards,,nasser
Nasser-san
Thanks for your reply. I inform to customer single uses for LMH1093.
Regards, Kenji