This thread has been locked.

If you have a related question, please click the "Ask a related question" button in the top right corner. The newly created question will be automatically linked to this question.

multiple LMX2581E synchronizations

Other Parts Discussed in Thread: LMX2581E, CODELOADER, LMX2581

Hi,

I purchased four units of LMX2581E EVB to feed clocks to four ADC cards. I am using Symmetricom 5087B Rubidium to generate multiple synchronized 10MHz external references to feed LMX2581E.  

First: If I use one LMX2581E EVB output and split with 4-way power divider to feed ADC cards, the phase difference between ADC cards are nothing, all synchronized. 

Symmetricom 5087B Rubidium 10MHz --> LMX2581E EVB --> 4way power divider --> feed 4 ADC cards

Second: from the first setup, I unhooked one output from the 4-way power divider then connect to the one ADC cards. 3 ADC cards data from power dividers seems synchronized but 1 ADC card data seems drifted. 3 ADC cards data from 4way power divider has constant offsets to each other ports so could give correction to be synchronized. But 1 ADC card data seems to irregular offsets and could not give corrections. 

Symmetricom 5087B Rubidium 10MHz --> LMX2581E EVB --> use 3 outputs from 4way power divider --> feed 3 ADC cards

Symmetricom 5087B Rubidium 10MHz --> LMX2581E EVB -->  feed 1 ADC card

Question: Is there any CodeLoader setting to synchronize multiple LMX2581E EVBs or is there other ways to do synchronization?

Thanks

  • Hi Youngho,

    I assume you need four differential synchronous outputs otherwise a LMX2581 can produce four synchronous  single-ended outputs at a time.

    If that is the case, you can use two LMX2581, each provide two differential outputs. You can put them in 0-delay mode so that the outputs and input are in-phase. Please refer to datasheet section 8.3.10 for details.

  • Hi Noel,

    First, my ultimate application is using 4 different clocks for four ADC cards to be applied for specific application. Before I do 4 different clocks, I tried 4 identical clocks with 4 sets of LMX2581E EVB to see if there is any phase jitters between them. So, that's why I need four sets of LMX2581E rather than using two pairs of differential outputs from one EVB.

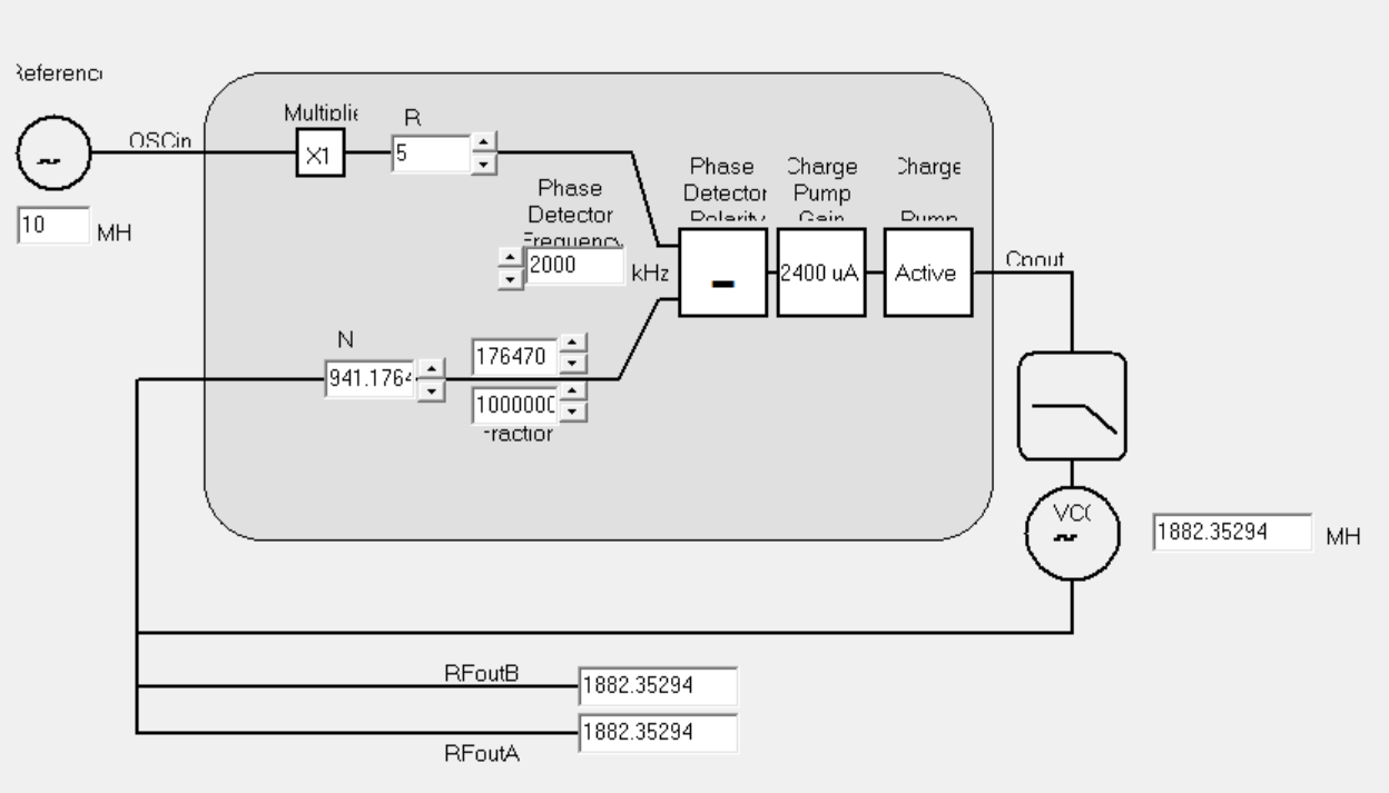
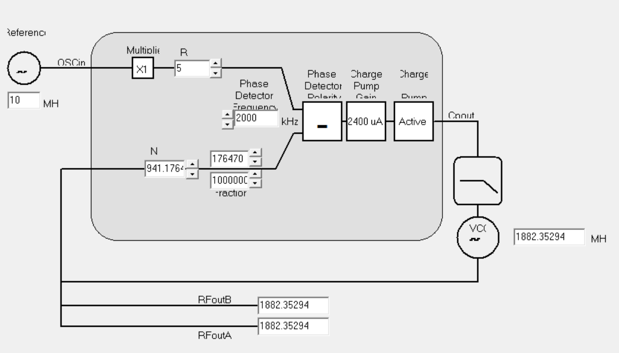
    Second, I tried to use 0-delay mode but not clear what to do from the manual. Manual 8.3.10 says it is for when VCO divider is used, something I don't. Also step 5, it says new PLL_N is PLL_N*/VCO_DIV whrere PLL_N* is the original value. Would you please take a look screen snap shot and recommend what to do to create zero delay? FYI my output frequency is 1882.35294MHz

    Thanks,

  • Hi Youngho,
    Since your output is a fraction, I only have an indirect way to resolve.
    First of all, use a LMX2581 to generate a 188.235294MHz clock. Use, say 50kHz loop bandwidth to make in-band noise as good as possible. The two differential outputs will be used as four single-ended outputs. Alternatively, if your Symmetricom device can generate this clock frequency, keep using this device as the clock source.
    Then, the second LMX2581E will take this 188.235294MHz clock as the reference clock and lock to 3764.70588MHz. Enable output divider to get the desired 1882.35294MHz output. Now the PLL is in integer mode with N equals 20.
    Follow the datasheet instruction to put it in 0-delay mode. In Step 5, change the N-counter to 10.
  • Hi Noel,

    thanks for your recommendation. I encountered several things.

    1. with 188.235294MHz reference, VCO is out or range if I use VCO_DIV=2. shown below figure.

    2. So, to be used with VCO_DIV=2 with VCO range, I lowered down operating frequency to 1684.210526315789MHz

    For integer-N mode, I put 168.4210526315789MHz as a reference signal from signal generator with 10MHz external reference from Symmetricomm.

    3. Now, for 0-delay, I set up my "bits/pins" setup is as below.

    with all the steps up to step 5, with new N-counter to 10, I got following screen.

    Now frequency was halved.. I am not sure what went wrong on my setup. Please advice.

    Thanks

  • Hi Youngho,

    LMX2581E supports up to 3.8GHz, no worry. The tool is designed for LMX2581, so it will turn red if it is out of range.

    if you have hooked up the EVM, after step 5, you should see the phase alignment but the output frequency will remain unchanged.