Part Number: LMX2594EVM
Other Parts Discussed in Thread: LMX2594
I read in the LMX2594 manual that it is possible to alter the phase of the output by varying the MASH_SEED variable in the TICS Pro GUI - which I have been able to confirm to a certain degree. However, I have been trying to achieve an exact phase shift by altering this variable but am really struggling to comprehend what parameters determine the exact phase shift imparted.
On page 31 of the manual it states that
Phase shift in degrees = 360 (MASH_SEED / PLL_DEN) ( IncludedDivide / CHDIV)
Where PLL_DEN > PLL_NUM + MASH_SEED i.e. MASH_SEED <= PLL_DEN - PLL_NUM. What happens if this condition is violated?
If I am interpreting these variables correctly from the TICS Pro GUI I do not see anything like this relationship. On the same page of the manual it seems to suggest (its not written clearly!) that VCO_PHASE_SYNC needs to be 1 for this phase shifting to work - is this true? I also do not know how I can determine (or alter) the FRAC_ORDER from the TICS Pro GUI.
Could somebody advise how the exact phase shift imparted can be determined from the parameters under one's control?
I hope someone can help.
Many thanks,
Matthew
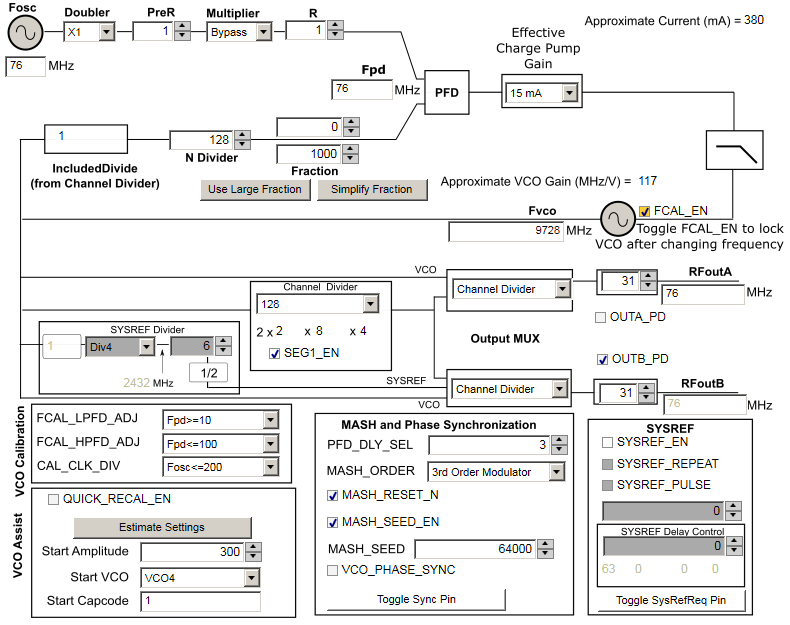
p.s. Screenshot below - in this case the expected phase shift should be 360*(9000/1000)*(4/128) = 101.25 degrees. Is this correct? Does VCO_PHASE_SYNC need to be 1?




