This thread has been locked.

If you have a related question, please click the "Ask a related question" button in the top right corner. The newly created question will be automatically linked to this question.

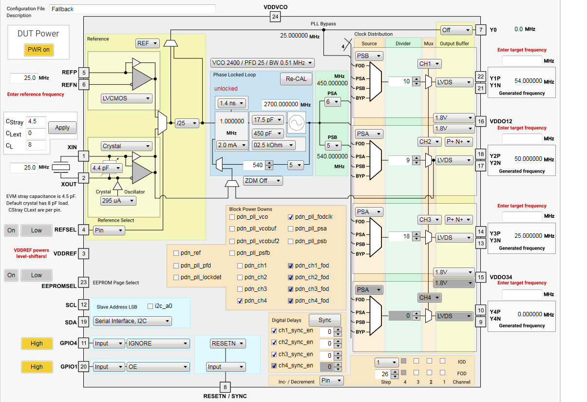
CDCI6214: Customer have design issue as abelow.

Part Number: CDCI6214


Hi Team:

Could you reply the design issue?

Customer use Xtal 25MHz to be CDCI6214 input.

1.     Please check CDCI6214 can produce differential 54M (Y1), 25M (Y2), 50M (Y3), at the same time.

2.     Status, OE, REFSEL pin how to config in our application.

3.     What status is if first time use and the EEPROM is empty. We have concern of this because one of CLKs is generate to fed CPU.

  • 1. Yes it is possible. See below:

    2. I reccomend to oull REFSEL pin low through a 4.7K resistor for an XTAL input.

    You can configure GPIO1 and GPIO4 as an input or output.

    When configured as an input, you can set either as a global output enable or individual output enable. You could also set it SSC enable or frequency increment/decrement.

    When configured as an output, it is a status pin that can be used to monitor device status such as PLL Lock and calibration status. You can also view buffered copies of the I2C signals and internal clock waveforms.

    3. By default GPIO1 and GPIO4 are configured as outputs. GPIO1 is global OE and GPIO2 is EEPROM_BUSY

    Kind regards,
    Lane