This thread has been locked.

If you have a related question, please click the "Ask a related question" button in the top right corner. The newly created question will be automatically linked to this question.

LMX2492EVM: Evaluation board cannot change starting frequency or create ramp signal

Part Number: LMX2492EVM
Other Parts Discussed in Thread: USB2ANY, LMX2492, LMX2594

Dear Technician,

We ordered a LMX2492EVM Evaluation Module from TI.com last week. When we performed the incoming inspection with the board, it didn't work as described on the user manual.

We powered it with 5V DC voltage and the total current consumption was around 200mA. We supposed to see a 4.8GHz signal on the scope, but what we got is only 4.5GHz. Furthermore, this number is fixed and won't change no matter how we change the VCO output in the TICS Pro software. The connection between PC and USB2ANY was verified using the software. The supply voltage of each testing point was verified with multi-meter. 

We had processed all debugging steps provided from TI user manual and the issue is still not solved. Is there any way to make this board work?


Thanks,

Simon
  • Hi Shuo,

    What is the CPout (pin 24 of LMX2492) voltage and the Vtune (pin 29 of the VCO) voltage?
  • Hi, Noel

    Thanks for the quick response. Both pin 24 of LMX2492 and pin 29 of VCO have 0.67V voltage.

    Shuo
  • Hi Shuo,

    According to the VCO datasheet, 0.67V tuning voltage will tune the VCO to approx. 9GHz, looks it match with you result.
    Since you were not able to change the frequency, please check if the 100MHz reference clock is working properly. Furthermore, you can set MUXout_MUX=16 (R/2 output), check if you can see a 50MHz clock from the MUXout pin.
  • Hi Noel,

    The reference clock works properly with 100MHz output. However, I see nothing from the MUXout pin with R/2 output setup. Could this be the issue?

    Shuo
  • Hi Shuo,

    If you have already set MUXout_PIN=2 (push pull output) but see nothing from MUXout pin, then check if you have the 100MHz reference signal at pin 9 of LMX2492.
  • Dear Noel,

    The 100MHz reference signal can be detected at pin 9 of LMX2492. Meanwhile, the MUXout pin still has nothing.

    Thanks,

    Shuo

  • Shou,

    1. Although you have verified the connection between USB2ANY with software, have you verified USB2ANY to to EVM? One way to do this is by sending the POWERDOWN bit and seeing if you can make the current change (you can also observe the DC bias level at the OSCin or Fin pins as well). A few reasons why this would not work could be the cable incorrectly plugged in, or perhaps the device is powered down. I think we have the CE pin tied high on the EVM, but it's good to double check and ensure the device is just not powered down.

    2. On the MUXout pin, you need to set two things:
    a. Format needs to be push-pull (MUXout_PIN = "Output P-P", state 3)
    b. Output needs to be selected (MUXout_MUX="Output R/2", state 16)


    BTW, although the LMX2492 comes with a CWX-813 XO on the board the default configuration has it NOT connected or powered up. If you are depending on this, ensure it is connected and powered up.

    Regards,
    Dean

    Regards,
    Dean
  • Hi, Dean

    I powered board down and then up through USB2ANY. I did see the current change after all registers written into board. So, the connection shouldn't cause the issue. Furthermore, I performed the MUXout measurement as you suggested, I still couldn't see the waveform on the scope. The XO generated 100MHz reference which can be detected from both the output pin of CWX-813 and input pin of LMX2492 (OSCin).

    Thanks,

    Shuo

  • Shuo,

    Looking at the counter outputs is a pretty low level command, so there might be something that we are assumning that isn't true. For instance, writing all registers works, but if this information is garbled, maybe it's not writing the right thing. you might want to toggle the SWRST bit and then load all regsiters.

    As for the output, you can also try this:
    Set MUXout_MUX=GND, State 0
    Toggle MUXout_PIN between "Output-PP" (State 2) and "Inverted Output-PP"(state 6)

    You should be able to toggle this pin high and low. If not, there is some basic assumption being made that might not be true.

    REgards,
    Dean
  • Dean,

    The MUXout pin could be toggled when we change from PP to inverted PP in TICS PRO. The output voltage of MUXout is between 0V to 3.14V. I guess the interface works fine.

    Thanks,

    Shuo

  • Shou,

    OK, seems like communications are running. The things that you are saying suggest that there is an issue with the input reference getting to the device.

    As the default for this is not connected, this must mean that you supplied power to the CWX-813 input reference and hooked it up. The LMX2594 expects the input to be AC coupled. Is it possible that you have this DC coupled and the part is not recognizing your input signal. This would also explain why you see no output from the R divider and your output frequency is at the lower end of the VCO.

    As a sanity check, you might want to try:
    1. Set the MUXout to "N/2" and you should see the divided VCO signal.
    2. Change the phase detector polarity. This should cause the carrier to jump.


    Regards,
    Dean
  • Shou,

    OK, so definitely it looks like SPI programming is working.

    Other signs suggest that there is is some issue with the OSCin input signal:

    1.  Can't see R/2 output on MUXout pin

    2.  Frequency is going to lower end of the VCO

    I know you say you see the OSCin signal going to our device, but perhaps there is some issue with matching, level, or DC bias.  For instance, this input should be AC coupled, otherwise the device might not be able to properly detect the signal.

    Because the XO is not hooked up by default, this means you had to do some modification to hook it up, so potentially there could be an issue, such as not being AC coupled.  

    For diagnostic purposes, you might also want to test this MUXout pin by trying to look at the N/2 output to make sure something comes out for that.

    Regards,

    Dean

  • Dean,

    This makes me confusing. We didn't apply any input to the OSCin port. All the test are done with the on board XO, and we saw the 100MHz at the input pin of LMX2492. With all the default setup, we could even get 4.8GHz at RFout/2 port of very first experiment listed on the manual. 

    Thanks,

    Shuo

  • Shou,

    I'm not sure if this is a question or a statement.

    In any case, there is something suspicious about the input reference.

    The default for the LMX2492 board is to have the XO disconnected and on the board.  The reason for this is that the XO does not have very good phase noise and we wanted to ensure that users would not blame the lMX2492 for close in phase noise that is due to the XO.

    On the other hand, we did want people to be able to evaluate the device and an XO is certainly better than a 100 MHz signal generator.

    In any case, if you are running this board with no XO hooked up, then the VCO will still oscillate, but at a lower frequency corresponding to the VCO tuning voltage being zero.  That might be around 4.6 GHz or so (rough guess) with divide by 2 mode. 

    Now it sounds like a modification to the board was made to provide power to the XO and then was hooked up to the device as it is claimed that there is a signal at the OSCin pin.  But perhaps somethign was hooked up wrong.   In the previous response, I said it might be DC coupled instead of AC coupled.  Or perhaps the GND/OSCin* pin is not handled properly.  For instance, if the same signal went to OSCin and GND/OSCin*, then there would be no output as this is a differential input.

    Regards,

    Dean

  • Dean,

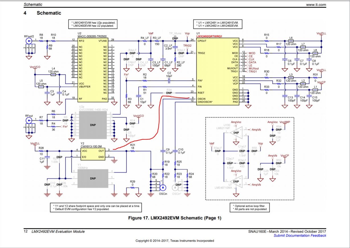
    Based on the manual, the default setup is having XO connected to the PLL. I took two screenshots from the TI manual of LMX2492EVM, and one of them shows the experiment we are doing now (Chapter 2 setup) and the other one shows the schematic of the evaluation board. I use red line to indicate the path from XO output to PLL OSCin pin. From the schematic, they are connected without any modification.

    Again, we did nothing to the board, except powering it up (with required 5V) and measuring the output with oscilloscope.

    Thanks,

    Shuo

  • Shou,

    There are two things that come to mind:
    1. Input reference not connected
    I know the instructions say that it is. However, we shipped a large number of EVMs that had the XO disconnected. Note in the revision history on page 23 that it says that between revision D and E that it was "changed to include the on-board XO". So in summary, would be good to make sure that your board is actually assembled R28, R21, R19, and C9 placed. We should be sure that you don't have an older revision of the board.

    2. Device is powered down (CE pin - pin 13 low?)
    Realize that the VCO draws a large amount of current and will still have an output at 4.5 GHz when the PLL is powered down. To ensure the device is powered up, you can change the POWERDOWN bit on the User Controls in TICSPro and it should change the current about 60 mA. Also, when powered up, the OSCin pin should have a DC bias of about 1.5 V and should have a DC bias of about 0V when powered down. Fin pin should have 1.6V bias powered up and 0V powered down. I say this because I see that the CE pin (pin 13) is on the schematic) and hooked to the header (pin 5), yet I see no way in TICSPro to pull this pin high. I also see no pull-up resistor on the board for this.

    Regards,
    Dean