This thread has been locked.

If you have a related question, please click the "Ask a related question" button in the top right corner. The newly created question will be automatically linked to this question.

LMX2594: About the spurious problem of LMX2594

Part Number: LMX2594

Hi,

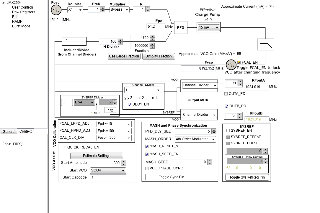
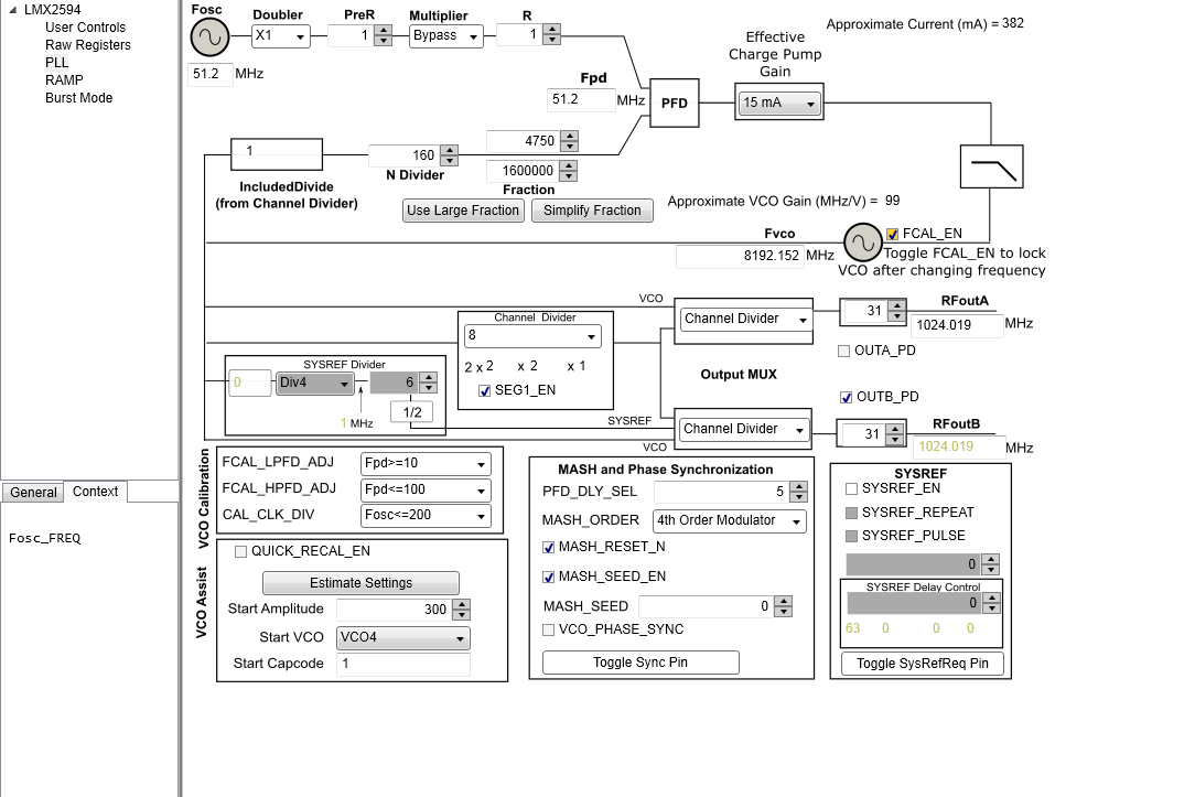
The configuration of the LMX2594 is as follows: Foscin = 51.2MHz, the output target signal fout = 1024.019MHz, and the configuration of other registers is shown in Figure 1 and Figure 2. The result of the output signal is shown in Figure 3. Note that the output signal is already locked.
Question: How to effectively optimize the spur of the output signal without changing Foscin and fout?

                                                                                                                                figure 1

                                                                                                                          figure2

                                                                                                                            figure 3

Regards,

Jonas