Hi team,
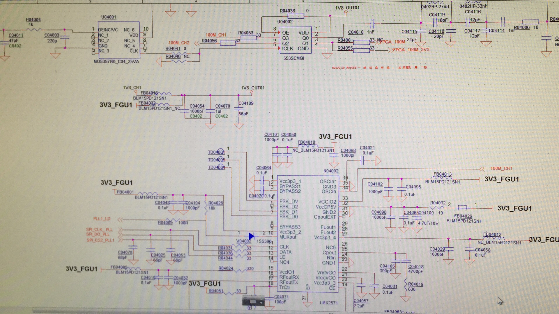
Input is a single-ended 1.8 VPP 100M clock (100M_CH1), output a 40M clock in RFoutTX, FB04018 and FB04012 beads have been welded, the actual measurement output is 40M, but very unstable, MUXout lock signal does not raise. Below is the schematic diagram.
As they does not have EVM board, I also get .tcs file for check. Please rename the gei_TI1.txt to gei_TI1.tcs as .tcs cannot be uploaded.
[SETUP] ADDRESS=888 CLOCK=8 DATA=4 LE=2 PART=LMX2571 IFACE=SPI ADDRESS_I2C=0x0 [PINS] PINNAME00=TrCtl LOCATION00=7 PINVALUE00=False PINNAME01=CE LOCATION01=0 PINVALUE01=True [MODES] NAME00=R60 VALUE00=3973120 NAME01=R58 VALUE01=3836928 NAME02=R53 VALUE02=3504134 NAME03=R47 VALUE03=3080192 NAME04=R46 VALUE04=3014681 NAME05=R42 VALUE05=2753040 NAME06=R41 VALUE06=2689032 NAME07=R40 VALUE07=2621724 NAME08=R39 VALUE08=2560507 NAME09=R35 VALUE09=2296835 NAME10=R34 VALUE10=2234625 NAME11=R33 VALUE11=2162688 NAME12=R32 VALUE12=2097152 NAME13=R31 VALUE13=2031616 NAME14=R30 VALUE14=1966080 NAME15=R29 VALUE15=1900544 NAME16=R28 VALUE16=1835008 NAME17=R27 VALUE17=1769472 NAME18=R26 VALUE18=1703936 NAME19=R25 VALUE19=1638400 NAME20=R24 VALUE20=1572880 NAME21=R23 VALUE21=1511556 NAME22=R22 VALUE22=1479809 NAME23=R21 VALUE23=1376513 NAME24=R20 VALUE24=1323033 NAME25=R19 VALUE25=1255184 NAME26=R18 VALUE26=1185648 NAME27=R17 VALUE27=1114112 NAME28=R16 VALUE28=1048576 NAME29=R15 VALUE29=983040 NAME30=R14 VALUE30=917504 NAME31=R13 VALUE31=851968 NAME32=R12 VALUE32=786432 NAME33=R11 VALUE33=720896 NAME34=R10 VALUE34=655360 NAME35=R9 VALUE35=589824 NAME36=R8 VALUE36=524304 NAME37=R7 VALUE37=462980 NAME38=R6 VALUE38=431233 NAME39=R5 VALUE39=327937 NAME40=R4 VALUE40=274457 NAME41=R3 VALUE41=206608 NAME42=R2 VALUE42=137072 NAME43=R1 VALUE43=65536 NAME44=R0 VALUE44=131 [FLEX] Fosc_F1_FREQ=100 Fosc_F2_FREQ=100 Fosc_FREQ=100 Fout_F1_FREQ=40 Fout_F2_FREQ=40 Fout_FREQ=40 Fpd_F1_FREQ=100 Fpd_F2_FREQ=100 Fpd_FREQ=100 Fvco_F1_FREQ=5120 Fvco_F2_FREQ=5120 Fvco_FREQ=5120 TrCtl_Pin=0 btn_SimplifyFraction=Simplify Fraction btn_SpurBGone=Spur-b-Gone flexCHDIV1=4 flexCHDIV2=5 flexCurrent=49.6 flexEXTVCO_CHDIV=0 flexExtVCO_FREQ=2560 flexFRAC_ORDER=3 flexIntVCO_FREQ=5120 flexKpd=2.5 flexKvco=57.6666666666667 flexMULT=1 flexOUTBUF_RX_EN=0 flexOUTBUF_RX_PWR=16 flexOUTBUF_TX_EN=1 flexOUTBUF_TX_PWR=16 flexOutputDivide=128 flexPLL_DEN=10000 flexPLL_N=25 flexPLL_NUM=6000 flexPLL_N_PRE=0 flexPLL_R=1 flexPLL_R_PRE=1


