This thread has been locked.

If you have a related question, please click the "Ask a related question" button in the top right corner. The newly created question will be automatically linked to this question.

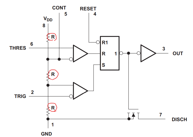
TLC555-Q1: Clock & timing forum

Part Number: TLC555-Q1

Hi all,

I would like to know the relationship between the threshold voltage Vit and the trigger voltage Vi(trig) on TLC555-Q1. Do you have one? If Vit=2.7V and Vi(trig)=2.06V, the duty gets very small. Are there any possibilities to show such a condition?

If you have any data that show the relationship between the Vit and the Vi(trigger), or the correlation data of the resistance between each resistor, it'd be very appreciated.

Regards,
RYO

  • RYO,

    The limits for these thresholds are ridiculously wide. The matching of the resistor chain is excellent across voltage and temperature and device to device. The comparators should always be less than 20mV input offset error.

    For a reasonable "worst case" variance test, give +100mV to one and -100mV to the other.