Other Parts Discussed in Thread: USB2ANY
My lmx2595 board locked but has very dirty signal.
This thread has been locked.
If you have a related question, please click the "Ask a related question" button in the top right corner. The newly created question will be automatically linked to this question.
Hi jinjing,
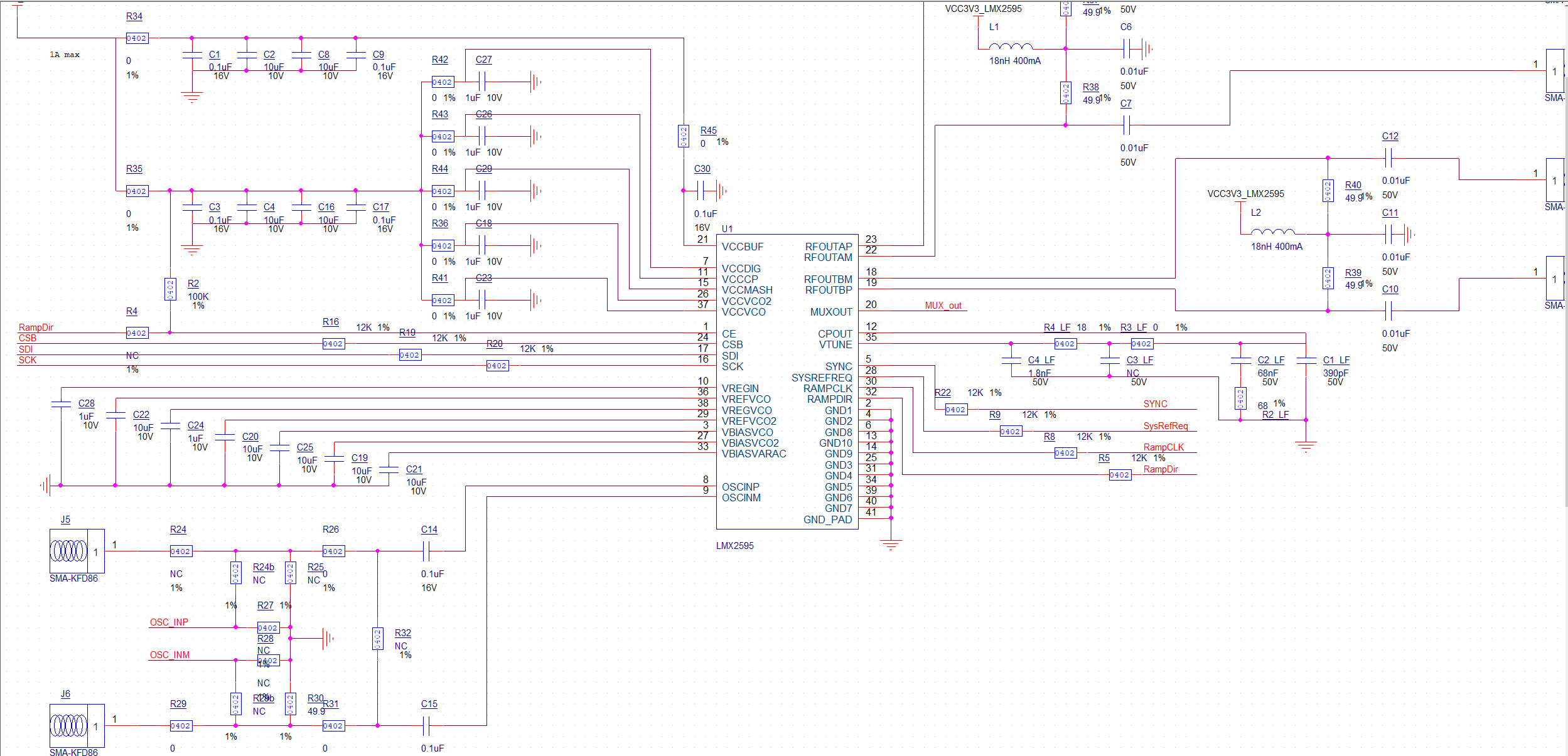
OSCINP is floating, you should AC-couple it to ground via a 50Ω resistor.
Did it lock?
Is the reference clock clean? You can try with a 1GHz reference clock, disable OSC_2X, set PLL_R_PRE = 5 to keep the same fpd.
The 12kΩ resistors are used for 5V logic, they are not required for 3.3V or 1.8V logic.
Hi Jinjing,
So, it is locked, phase noise is good but there are spurs at 3kHz - 30kHz. Are you using DC/DC power supply? How is your loop filter layout? Are there strong-signal traces close to the loop filter?
Hi Jinjing,
Where is the SPI signal come from? USB2ANY? Can you remove the SCK, SDI wire after programming the device? If you use USB2ANY, unplug the USB cable to power down the USB2ANY.
Hi Noel Fung:
I used the USB2ANY, The signal output will be better when unplug the USB cable.
I want to know the reason.
Next step, I will use a custom FPGA board to control the LMX2595. I am worried that the problem will appear again . What should I do to avoid the problem?
Hi Jinjing,
in your layout, SCK trace is running in parallel with the loop filter trace, there may be some coupling. Another possibility is, did you connect the GND pin of USB2ANY to your board?
Hi Noel Fung,
I changed my layout and test again. The signal is quite clean.
Thanks a lot.