This thread has been locked.

If you have a related question, please click the "Ask a related question" button in the top right corner. The newly created question will be automatically linked to this question.

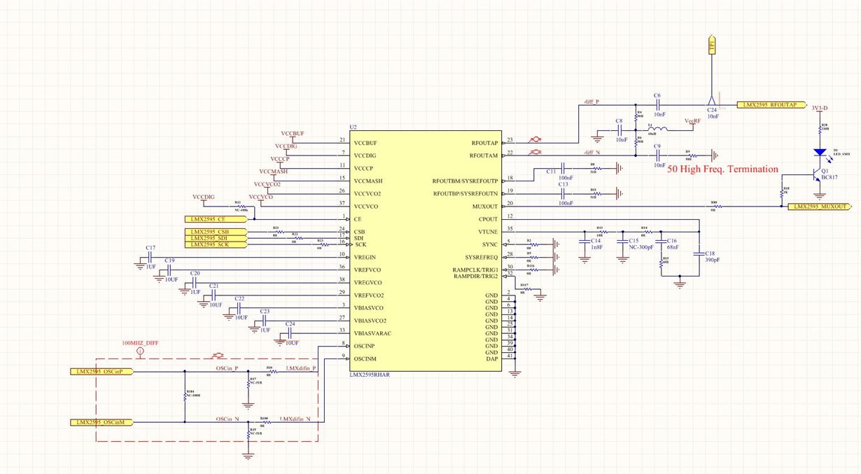
LMX2595: Inconsistent Output Power and Spur Problem

Part Number: LMX2595


Hi everyone,

The problem is the output power is not consistent as the frequency changes.
I observe a lot of spurs for the frequencies below 5GHz and their magnitude is greater than the output frequency.
I've attached an image showing the incosisteny of the output power, the schematic has also been attached.

I use TICS software to program LMX2595. Doubler is enabled and Port A is measured.
 Loop filter bandwidth 200 kHz as LMX2595EVM. I use inductor 1nH pull up

What could the reasons of problems be ?

Thanks in advance.




  • Hi,

    Your schematic seems reasonable, but your output power looks low.   Realize that the output power is layout dependent.  Specifically, the placement of the 50 ohm pull-up resistor has to be very close to the chip or output power is severely degraded and the impedance is very poorly matched.  Also, it's good if its a specialized RF resistor for higher frequencies.

    At lower frequencies, maybe this is more related to the fact if the output divider is engaged.  This increases the current and perhaps there is some layout issue or LDO issue causing this.

    In any case, we don't see this on our EVM.

    REgards,
    Dean