Other Parts Discussed in Thread: DP83869
Hi,
I'm using DP83869HMRGZT PHY in SGMII to Copper mode (1G).
Kindly review the attached schematic. And suggest if any changes to be made.DP83869HMRGZT_SGMII.pdf
This thread has been locked.
If you have a related question, please click the "Ask a related question" button in the top right corner. The newly created question will be automatically linked to this question.
Hi,
I'm using DP83869HMRGZT PHY in SGMII to Copper mode (1G).
Kindly review the attached schematic. And suggest if any changes to be made.DP83869HMRGZT_SGMII.pdf
Hello Ranjini,
Thank you for the schematics. Please expect delay due the year end holidays.
Regards,
Sreenivasa
Hello Ranjini,
I do not see the RJ connector page. Could you please share the relevant page.
Regards,
Sreenivasa
Hello Ranjini,
I do not see the RJ45 connector page. Could you please share the relevant page.
Regards,
Sreenivasa
Hello Ranjini
Thank you. s there a shield for the connector and is the shield connected to a separate ground.
If possible please share the schematics of the MDI interface.
Regards,
Srenivasa
Hello Ranjini,
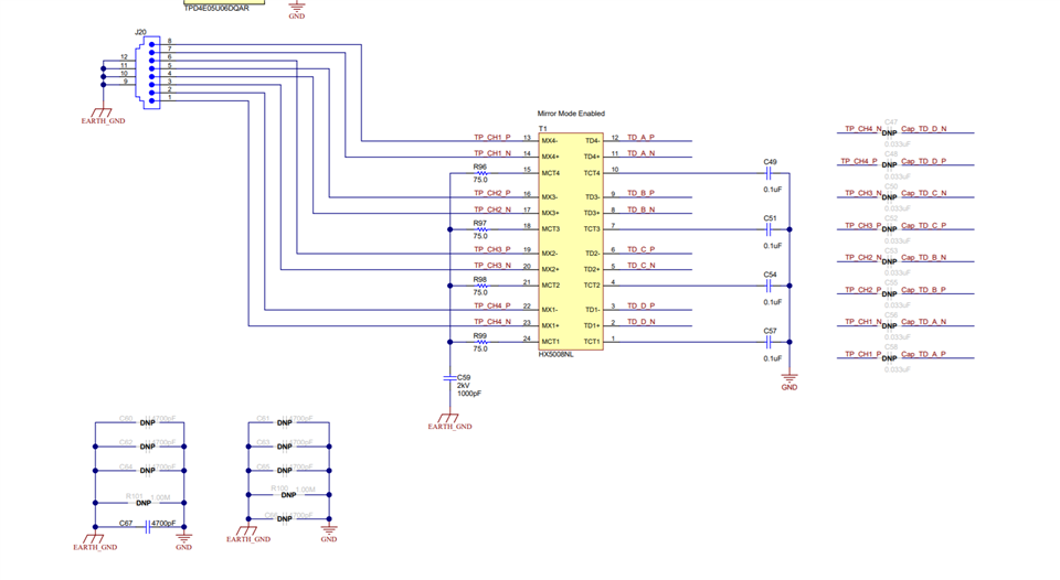
Please refer below use case for the connector diagram.
There is an C + R in parallel connected between shield and the circuit ground.
The Cable side of the magnetics is referenced to shield and the PHY side to the circuit ground.
In the schematics you provided, i see both sides of the magnetics on the same ground reference.
Regards,
Sreenivasa
Hello Ranjini,
I did a quick review and Please find attached review comments.
Please be sure to provide the required AC coupling and also ensure you are following the required power sequencing.
Regard,
Sreenivasa
Hello Ranjini,
Regarding the isolation between circuit ground and shield please follow the above message. You can refer to the DP83869 EVM for details.
Regards,
Sreenivasa
Hello Ranjini,
Please expect delay in response next week due to the yearend vacation.
Regards,
Sreenivasa
Hello Ranjini,
Please expect delay in response next week due to the year end holidays.
Regards,
Sreenivasa
Hello Ranjini,
Received the note below on the updates.
I've changed the ground reference after magnetic to Earth_GND.
The cable shield will also be connected to Earth_GND.
The AC caps have been placed.
These changes look good.
Please be sure to take care of the power supply ramp time and sequencing.
Regards,
Sreenivasa
Hello Ranjini,
Noted and Thank you for the reply. If you do not have additional question please click the resolved button to close the thread.
Regards,
Sreenivasa