We have some issue with TRS3223QPWRQ1, in our STP project
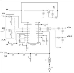
Below is the circuit for RS232 communication where TRS3223QPWRQ1 is used
Image (1)

Issue is, when Outside device (RS232 device) is connected to TXD and RXD, and if some send data via uC_Tx (DIN1), the Data is not reflecting at DOUT1 (TXD)
For your information – EN =LOW, FORCEOFF = HIGH (FORCEON = LOW, Pulled Down with resistor)
But when there is no RS232 device or if its connected to PC (for communication check) – TXD is working fine
Our doubt, TRS3223QPWRQ1 is going to Auto-Power Down mode
from datasheet :
Image(2)
- What is Valid RS232 signal (RXD)
- Can you please let us know how to overcome the Auto-PowerDown mode ?
one thing, we can do is to make FORCEON = HIGH (but it will cause design/layout change – and right now we are not into Layout change) - What if FORCEON is Floating/Not connected? Will it increase the current consumption in sleep mode (EN = HIGH and FORCEOFF = LOW) ?
Please reply on urgent basis