Part Number: DP83825I
Tool/software:
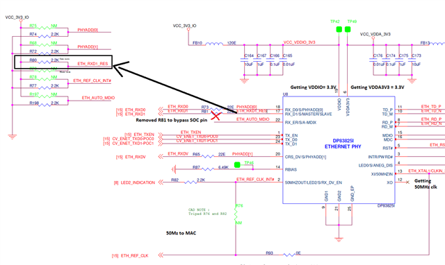
We are using TI DP83825I Ethernet Phy in RMII Slave configuration with Ambarella CV25 SOC running Linux Kernel 5.4.
We were able to make the Ethernet work in RMII Master mode with the following device tree bindings configuration. The pinctrls, power and reset gpios are configured correctly according to the board.
DTSI:
mac0: ethernet@e000e000 {
compatible = "ambarella,eth";
#address-cells = <1>;
#size-cells = <0>;
reg = <0xe000e000 0x2000>;
interrupts = <0 58 0x4>;
pinctrl-names = "default";
pinctrl-0 = <&rmii_pins>;
phy-mode = "rmii";
amb,rct-regmap = <&rct_syscon>;
amb,scr-regmap = <&scratchpad_syscon>;
amb,tx-ring-size = <32>;
amb,rx-ring-size = <64>;
amb,ipc-tx;
amb,ipc-rx;
amb,enhance;
amb,ahb-12mhz-div = <5>;
clock-names = "ptp_ref";
clocks= <&osc>;
};
DTS:
mac0: ethernet@e000e000 {
status = "ok";
pinctrl-0 = <&rmii_pins &enet_2nd_ref_clk_pins_a>;
phy-mode = "rmii";
amb,tx-clk-invert;
phy@0 {
reg = <0>;
pwr-gpios = <&gpio 94 0x1>;
rst-gpios = <&gpio 35 0x0>;
txen-skew-ps = <0>;
rxdv-skew-ps = <0>;
rxd0-skew-ps = <0>;
rxd1-skew-ps = <0>;
rxd2-skew-ps = <0>;
rxd3-skew-ps = <0>;
txd0-skew-ps = <0>;
txd1-skew-ps = <0>;
txd2-skew-ps = <0>;
txd3-skew-ps = <0>;
};
};
We are not able to make the Ethernet work in RMII Slave Mode, "eth0" interface is up with IP Address but ping is not working.
We have set "RX_D1" as "1" for DP83825I from hardware configuration. We have made sure the 50 MHz clock is given to the TI DP83825I PHY for slave operation. Also the same 50 MHz clock is given to the MAC.

We are getting the following output of ifconfig, ethtool and ip commands when configured in slave mode.
# ifconfig
eth0 Link encap:Ethernet HWaddr 2E:35:35:4D:41:BF
inet addr:192.168.1.250 Bcast:192.168.1.255 Mask:255.255.255.0
UP BROADCAST MULTICAST MTU:1500 Metric:1
RX packets:0 errors:0 dropped:0 overruns:0 frame:0
TX packets:0 errors:0 dropped:0 overruns:0 carrier:0
collisions:0 txqueuelen:1000
RX bytes:0 (0.0 B) TX bytes:0 (0.0 B)
Interrupt:28
lo Link encap:Local Loopback
inet addr:127.0.0.1 Mask:255.0.0.0
UP LOOPBACK RUNNING MTU:65536 Metric:1
RX packets:0 errors:0 dropped:0 overruns:0 frame:0
TX packets:0 errors:0 dropped:0 overruns:0 carrier:0
collisions:0 txqueuelen:1000
RX bytes:0 (0.0 B) TX bytes:0 (0.0 B)
# ethtool eth0
Settings for eth0:
Supported ports: [ TP MII ]
Supported link modes: Not reported
Supported pause frame use: Symmetric Receive-only
Supports auto-negotiation: No
Advertised link modes: Not reported
Advertised pause frame use: No
Advertised auto-negotiation: No
Speed: 10Mb/s
Duplex: Half
Port: MII
PHYAD: 0
Transceiver: internal
Auto-negotiation: off
Current message level: 0x00000001 (1)
drv
Link detected: no
# ip a
1: lo: <LOOPBACK,UP,LOWER_UP> mtu 65536 qdisc noqueue qlen 1000
link/loopback 00:00:00:00:00:00 brd 00:00:00:00:00:00
inet 127.0.0.1/8 scope host lo
valid_lft forever preferred_lft forever
2: eth0: <NO-CARRIER,BROADCAST,MULTICAST,UP> mtu 1500 qdisc pfifo_fast qlen 1000
link/ether 2e:35:35:4d:41:bf brd ff:ff:ff:ff:ff:ff
inet 192.168.1.250/24 brd 192.168.1.255 scope global noprefixroute eth0
valid_lft forever preferred_lft forever
Loopback ping is working in slave mode:
# ping 127.0.0.1
PING 127.0.0.1 (127.0.0.1): 56 data bytes
64 bytes from 127.0.0.1: seq=0 ttl=64 time=0.132 ms
64 bytes from 127.0.0.1: seq=1 ttl=64 time=0.049 ms
Can you please tell what DTSI/DTS changes from software need to be done for RMII Slave Mode operation?



