Tool/software:
Hi all,
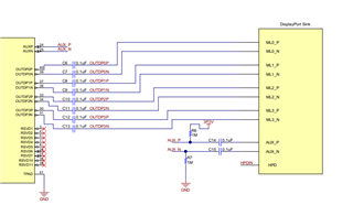
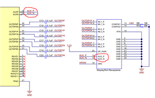
When connecting to the DisplayPort Sink, The AUX pin has AC coupling and pull-up and pulldown.

However, when connecting to the DisplayPort Receptacle, it is not connected with AC coupling but directly connected.
Is this a typo?

Best Regards,
Ryusuke


