Tool/software:
I have designed a module for this USB-SATA Bridge, and during testing, have found that my read speeds are consistently slower than write.
Over USB2, both read and write are consistently around 45MBps (which is consistent with the bus bottleneck), but over USB3 I am seldom able to break 69MBps sequential read.
Example:

I have tried this with several HDDs and SSDs, including one 120GB Samsung 840EVO that consistently hits 250MBps Sequential Read/Write with other bridge adapters (such as JMS578).
Is this an issue with my USB-3 implementation? Is there something i need to tweak in the firmware?
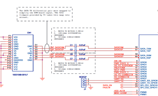
My schematics & firmware are attached (firmware is .bin, changed filetype to upload)
� )� �� �� �� �� �� �� �� �� �� �� �� �� �� �� e� e� e� e� 7� ]. �B e� }� i� �� U� e� e� e� e� e� e� � e� e� 1� -� e� e� e� e� e� e� e� e� e� e� e� e� e� e� e� ӷ e� e� e� e� e� e� e� e� e� x��L i��� !�A��hJK|@��6�2ʙB��BٱN1h���E� i1h ��� +h���;� x� x���NFFFp!"�1p !�� !"� � �4sus8F�p�0��LF�h�| |)F���x��xa(�`(� "