Part Number: DP83867IS
Tool/software:
Hello,
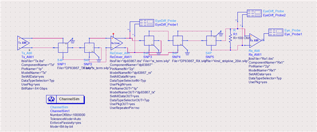
My customer is asking about IBIS-AMI Model in DP83867IS.
They confirmed eye mask for Receive signals with IBIS Model(SNLM211.ZIP).,
but the waveform is greatly distorted.(below)

They referred below E2E and think that there may be a problem with the BIS model.
Probably I think they use ADS as tool from their captured signal wave(above).
Could you please give some advice or comment for IBIS Model?
Regards,
Tao_2199

