Tool/software:
Could you please confirm if the attached crystal circuit is suitable for the DP83867IRPAP? Additionally, does the XOSC pad include any internal resistor, or should it be implemented externally like attached image?
This thread has been locked.
If you have a related question, please click the "Ask a related question" button in the top right corner. The newly created question will be automatically linked to this question.
Tool/software:
Could you please confirm if the attached crystal circuit is suitable for the DP83867IRPAP? Additionally, does the XOSC pad include any internal resistor, or should it be implemented externally like attached image?
Hi J,
Thanks for the information.
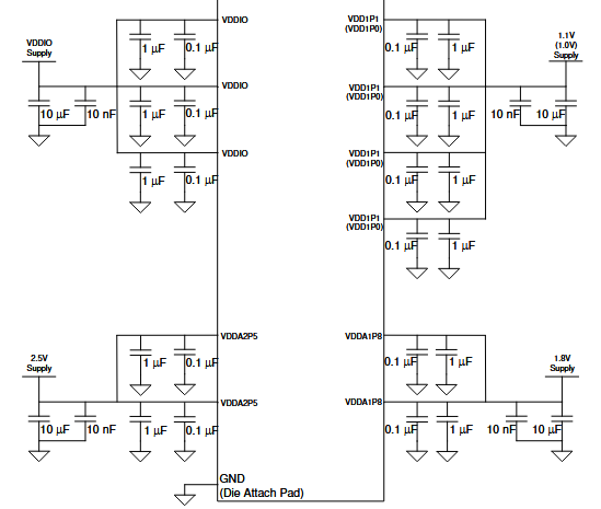
In the DP83867IRPAP, the power supply connections involve both analog and digital supplies. However, the power supply recommendations indicate a common ground reference. Could you please clarify this?
We have separated the ground reference for the analog and digital power pins. Kindly confirm if this approach is acceptable.
Additionally, for these power supply pins, we are using four channels of the same Source Measurement Unit (SMU). In this scenario, could you please reconfirm whether the analog power supply pins require ferrite beads?

Gratitude
Saran
Hi Saran,
Because the PHY does not support separate AGND and DGND, we do not recommend hooking the PHY up to a separate GND.
Ferrite beads are our recommendation to improve EMC performance of the PHY. With the SMU, you may not need ferrite beads but ferrite beads in general is not a requirement for the normal operation of the PHY.
Best,
J