Tool/software:
Hi team,
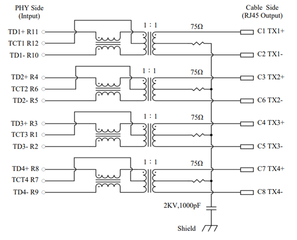
My customer is considering using the RJ45 connector at the following URL in combination with the DP83867IS.
・UDE RH1-ZZ-0033
https://www.ude-corp.com/archive/product/item/Datasheet/RH1-ZZ-0033.pdf
・UDE RH1-ZZ-0060
https://www.ude-corp.com/archive/product/item/Datasheet/RH1-ZZ-0060.pdf

Based on previous posts, I understand that the center tap of the transformer channel in this RJ45 is shorted, which is not recommended for achieving optimal EMI performance.
However, the customer has already started drafting the schematic and is short on time. While it may be difficult to achieve sufficient EMI performance, is it correct to assume that there will be no issues with basic operation?
If you have any other recommended RJ45 connectors with integrated transformers, please let me know the model numbers.
Best regards,
Kyohei