Tool/software:
Hello everyone,
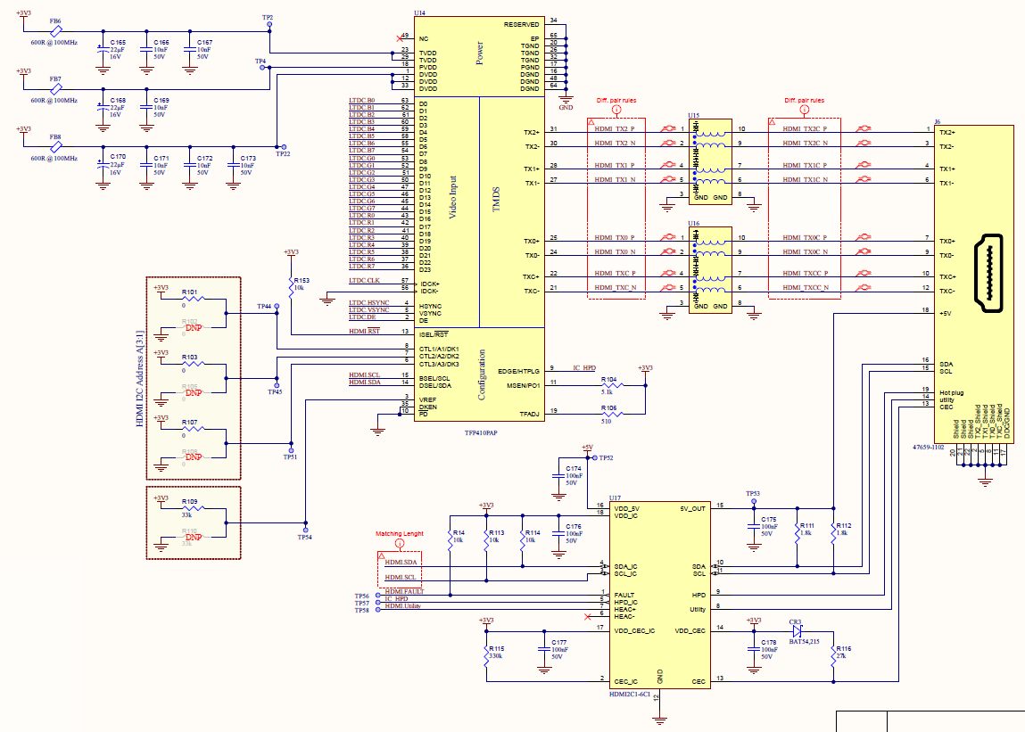
We are developing a device with an HDMI interface that uses the TFP410PAP IC to convert RGB888 (3.3V) signals to HDMI.
After reviewing the available documentation, we have designed the schematic based on the recommendations in the datasheet, but as there is no reference design available, we are not 100% sure that the implementation is correct. We are therefore attaching an image of the schematic in case any experts or anyone who has previously worked with this IC could take a look and let us know if we are missing any components necessary for it to work.
Thank you in advance.
